Silvertone 2075 Ch= 528.53580
Sears, Roebuck & Co.; Chicago (IL)
- Country
- United States of America (USA)
- Manufacturer / Brand
- Sears, Roebuck & Co.; Chicago (IL)
- Year
- 1961 ?
- Category
- Broadcast Receiver - or past WW2 Tuner
- Radiomuseum.org ID
- 88366
-
- Brand: Silvertone
Click on the schematic thumbnail to request the schematic as a free document.
- Number of Tubes
- 8
- Main principle
- Superheterodyne (common); ZF/IF 455/10700 kHz
- Tuned circuits
- 6 AM circuit(s) 10 FM circuit(s)
- Wave bands
- Broadcast (BC) and FM or UHF.
- Power type and voltage
- Alternating Current supply (AC) / 117 Volt
- Loudspeaker
- - For headphones or amp.
- from Radiomuseum.org
- Model: Silvertone 2075 Ch= 528.53580 - Sears, Roebuck & Co.; Chicago
- Notes
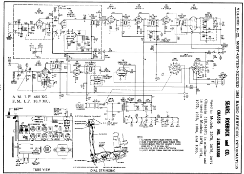
- Chassis 528.53580 is an AM/FM receiver and used in models 2075, 2076 and 2077. To the model belongs also a poweramp and a power supply. Listed tubes refer only to the receiver.
- Circuit diagram reference
- Beitman Radio Diagrams Vol. 22, 1962
- Author
- Model page created by Egon Penker. See "Data change" for further contributors.
- Other Models
-
Here you find 5527 models, 3234 with images and 4235 with schematics for wireless sets etc. In French: TSF for Télégraphie sans fil.
All listed radios etc. from Sears, Roebuck & Co.; Chicago (IL)