Silvertone 4430
Sears, Roebuck & Co.; Chicago (IL)
- Pays
- Etats-Unis
- Fabricant / Marque
- Sears, Roebuck & Co.; Chicago (IL)
- Année
- 1937 ??
- Catégorie
- Radio - ou tuner d'après la guerre 1939-45
- Radiomuseum.org ID
- 56258
-
- Brand: Silvertone
Cliquez sur la vignette du schéma pour le demander en tant que document gratuit.
- No. de tubes
- 4
- Principe général
- Super hétérodyne (en général); FI/IF 456 kHz
- Circuits accordés
- 6 Circuits MA (AM)
- Gammes d'ondes
- PO et Police / Maritime (150-200m)
- Tension / type courant
- Accumulateur (par exemple pour autoradios ou radio) / 6 Volt
- Haut-parleur
- HP dynamique à électro-aimant (électrodynamique) / Ø 6 inch = 15.2 cm
- Puissance de sortie
- 1.06 W (qualité inconnue)
- Matière
- Boitier en bois
- De Radiomuseum.org
- Modèle: Silvertone 4430 - Sears, Roebuck & Co.; Chicago
- Remarques
- Farm radio. Sync.vibrator for +B.
- Source extérieure
- Ernst Erb
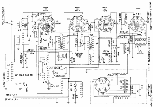
- Source du schéma
- Rider's Perpetual, Volume 8 = 1937 and before
- Schémathèque (1)
- Riders 8-16
- D'autres Modèles
-
Vous pourrez trouver sous ce lien 5527 modèles d'appareils, 3234 avec des images et 4235 avec des schémas.
Tous les appareils de Sears, Roebuck & Co.; Chicago (IL)