Silvertone 6286 Ch= 528.6286
Sears, Roebuck & Co.; Chicago (IL)
- Produttore / Marca
- Sears, Roebuck & Co.; Chicago (IL)
- Anno
- 1952 ?
- Categoria
- Autoradio, eventualmente con registratore a cassette o giradischi
- Radiomuseum.org ID
- 56777
-
- Brand: Silvertone
Clicca sulla miniatura dello schema per richiederlo come documento gratuito.
- Numero di tubi
- 6
- Principio generale
- Supereterodina con stadio RF; ZF/IF 455 kHz; 2 Stadi BF
- N. di circuiti accordati
- 7 Circuiti Mod. Amp. (AM)
- Gamme d'onda
- Solo onde medie (OM).
- Tensioni di funzionamento
- Batteria di accumulatori, per tutto (es. autoradio, radio amatoriali) / 6.3 Volt
- Altoparlante
- AP magnetodinamico ellittico (magnete permanente e bobina mobile).
- Potenza d'uscita
- 1.25 W (qualità ignota)
- Materiali
- Mobile di metallo
- Radiomuseum.org
- Modello: Silvertone 6286 Ch= 528.6286 - Sears, Roebuck & Co.; Chicago
- Forma
- Chassis o in scatola da montaggio
- Annotazioni
-
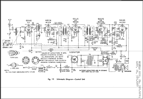
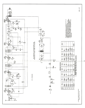
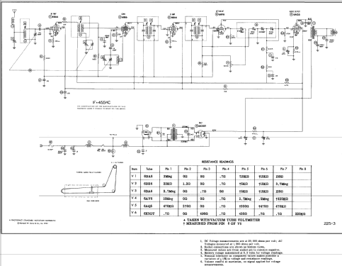
Silvertone model 6286 is a battery operated universal automobile superheterodyne receiver.
Vibrator for +B. The model Silvertone 6286 with chassis 528.6286 was also sold as brand "Allstate" by Sears, Roebuck & Co - according to Howard W. Sams & Co, Date 12-53 Set 225 Folder 3.
- Fonte esterna dei dati
- Ernst Erb
- Riferimenti schemi
- Rider's Perpetual, Volume 22, covering 1951
- Letteratura / Schemi (1)
- Photofact Folder, Howard W. SAMS (Set 185, folder 12, dated 11-52)
- Altri modelli
-
In questo link sono elencati 5527 modelli, di cui 3234 con immagini e 4235 con schemi.
Elenco delle radio e altri apparecchi della Sears, Roebuck & Co.; Chicago (IL)