Silvertone 6008 Ch= 101.524
Sears, Roebuck & Co.; Chicago (IL)
- Country
- United States of America (USA)
- Manufacturer / Brand
- Sears, Roebuck & Co.; Chicago (IL)
- Year
- 1938
- Category
- Broadcast Receiver - or past WW2 Tuner
- Radiomuseum.org ID
- 56569
-
- Brand: Silvertone
Click on the schematic thumbnail to request the schematic as a free document.
- Number of Tubes
- 7
- Main principle
- Superheterodyne (common); ZF/IF 465 kHz
- Tuned circuits
- 6 AM circuit(s)
- Wave bands
- Broadcast plus 2 Short Wave bands.
- Power type and voltage
- Storage and/or dry batteries / 90 & 4 or 4.5 & 3 Volt
- Loudspeaker
- Permanent Magnet Dynamic (PDyn) Loudspeaker (moving coil) / Ø 5 inch = 12.7 cm
- Power out
- 0.6 W (unknown quality)
- from Radiomuseum.org
- Model: Silvertone 6008 Ch= 101.524 - Sears, Roebuck & Co.; Chicago
- Notes
- Speaker 5 or 8 inch. Bias Cells.
- External source of data
- Ernst Erb
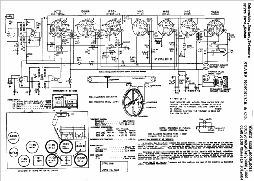
- Circuit diagram reference
- Rider's Perpetual, Volume 10 = 1939 and before
- Literature/Schematics (1)
- Riders 10-44, 45, 46, 58
- Other Models
-
Here you find 5533 models, 3235 with images and 4241 with schematics for wireless sets etc. In French: TSF for Télégraphie sans fil.
All listed radios etc. from Sears, Roebuck & Co.; Chicago (IL)