Silvertone 6141 Ch= 101.535
Sears, Roebuck & Co.; Chicago (IL)
- Pays
- Etats-Unis
- Fabricant / Marque
- Sears, Roebuck & Co.; Chicago (IL)
- Année
- 1938
- Catégorie
- Radio - ou tuner d'après la guerre 1939-45
- Radiomuseum.org ID
- 56691
-
- Brand: Silvertone
Cliquez sur la vignette du schéma pour le demander en tant que document gratuit.
- No. de tubes
- 8
- Principe général
- Super hétérodyne (en général); FI/IF 455 kHz
- Circuits accordés
- 6 Circuits MA (AM)
- Gammes d'ondes
- PO et OC
- Tension / type courant
- Alimentation Courant Alternatif (CA) / 105-125 Volt
- Haut-parleur
- HP dynamique à électro-aimant (électrodynamique) / Ø 8 inch = 20.3 cm
- Puissance de sortie
- 5 W (qualité inconnue)
- De Radiomuseum.org
- Modèle: Silvertone 6141 Ch= 101.535 - Sears, Roebuck & Co.; Chicago
- Remarques
- Speaker 8 or 10 inch.
- Source extérieure
- Ernst Erb
- Source du schéma
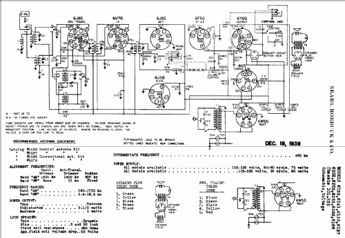
- Rider's Perpetual, Volume 11 = ca. 1940 and before
- Schémathèque (1)
- Riders 11-10, 19, 20, 27
- D'autres Modèles
-
Vous pourrez trouver sous ce lien 5527 modèles d'appareils, 3234 avec des images et 4235 avec des schémas.
Tous les appareils de Sears, Roebuck & Co.; Chicago (IL)
Collections
Le modèle Silvertone 6141 fait partie des collections des membres suivants.