Silvertone 7133
Sears, Roebuck & Co.; Chicago (IL)
- Country
- United States of America (USA)
- Manufacturer / Brand
- Sears, Roebuck & Co.; Chicago (IL)
- Year
- 1936 ??
- Category
- Broadcast Receiver - or past WW2 Tuner
- Radiomuseum.org ID
- 57051
-
- Brand: Silvertone
Click on the schematic thumbnail to request the schematic as a free document.
- Number of Tubes
- 5
- Main principle
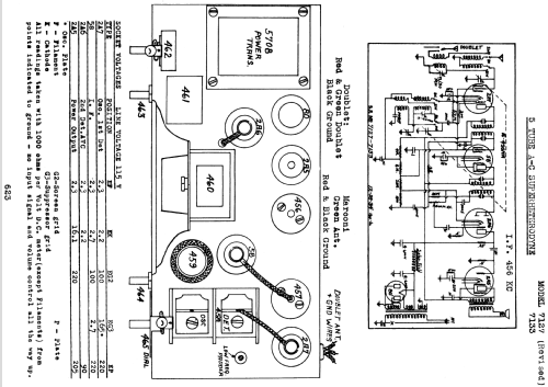
- Superheterodyne (common); ZF/IF 456 kHz
- Tuned circuits
- 6 AM circuit(s)
- Wave bands
- Broadcast and Short Wave (SW).
- Power type and voltage
- Alternating Current supply (AC) / 105-120 Volt
- Loudspeaker
- Electro Magnetic Dynamic LS (moving-coil with field excitation coil)
- from Radiomuseum.org
- Model: Silvertone 7133 - Sears, Roebuck & Co.; Chicago
- Notes
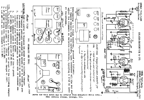
- The chassis of this model is similar to Echophone 143, for electrical changes see Riders schematic.
- External source of data
- Ernst Erb
- Circuit diagram reference
- Rider's Perpetual, Volume 7 = 1936 and before
- Literature/Schematics (1)
- Riders 7-63 ; Riders 5-4 Echophone
- Other Models
-
Here you find 5533 models, 3235 with images and 4241 with schematics for wireless sets etc. In French: TSF for Télégraphie sans fil.
All listed radios etc. from Sears, Roebuck & Co.; Chicago (IL)