Silvertone 7310 Ch= 126.210 Export
Sears, Roebuck & Co.; Chicago (IL)
- País
- Estados Unidos
- Fabricante / Marca
- Sears, Roebuck & Co.; Chicago (IL)
- Año
- 1939
- Categoría
- Radio - o Sintonizador pasado WW2
- Radiomuseum.org ID
- 57158
-
- Brand: Silvertone
Haga clic en la miniatura esquemática para solicitarlo como documento gratuito.
- Numero de valvulas
- 9
- Principio principal
- Superheterodino con paso previo de RF; ZF/IF 455 kHz
- Número de circuitos sintonía
- 7 Circuíto(s) AM
- Gama de ondas
- OM y dos OC
- Tensión de funcionamiento
- Red: Corriente alterna (CA, Inglés = AC) / 110; 125; 150; 210; 240 Volt
- Altavoz
- Altavoz electrodinámico (bobina de campo) / Ø 8 inch = 20.3 cm
- Potencia de salida
- 11.5 W (unknown quality)
- de Radiomuseum.org
- Modelo: Silvertone 7310 Ch= 126.210 [Export] - Sears, Roebuck & Co.; Chicago
- Ext. procedencia de los datos
- Ernst Erb
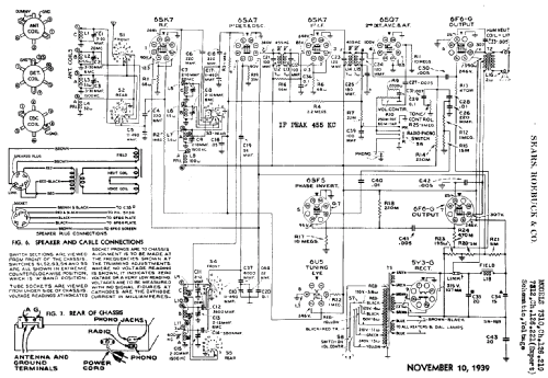
- Referencia esquema
- Rider's Perpetual, Volume 11 = ca. 1940 and before
- Documentación / Esquemas (1)
- Riders 11-128, 129, 130, 131
- Otros modelos
-
Donde encontrará 5527 modelos, 3234 con imágenes y 4235 con esquemas.
Ir al listado general de Sears, Roebuck & Co.; Chicago (IL)