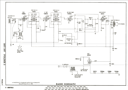
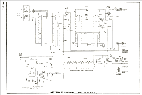
Silvertone 8155 Ch= 528.51173
Sears, Roebuck & Co.; Chicago (IL)
- Pays
- Etats-Unis
- Fabricant / Marque
- Sears, Roebuck & Co.; Chicago (IL)
- Année
- 1958 ?
- Catégorie
- Récepteur de télévision ou moniteur
- Radiomuseum.org ID
- 198013
-
- Brand: Silvertone
Cliquez sur la vignette du schéma pour le demander en tant que document gratuit.
- No. de tubes
- 16
- Lampes / Tubes
- 6AF4A 2CY5 5U8 3BZ6 3BZ6 5AM8 6BH8 5U8 6BN8 6AQ5 6CM7 6CG7 12AV5GA 12AX4GTA 1B3GT 24AEP4
- Principe général
- Super hétérodyne avec étage HF
- Gammes d'ondes
- Bandes en notes
- Tension / type courant
- Alimentation Courant Alternatif (CA) / 60 Hz, 117V = 110 -120 Volt
- Haut-parleur
- 2 HP
- Matière
- Boitier en bois
- De Radiomuseum.org
- Modèle: Silvertone 8155 Ch= 528.51173 - Sears, Roebuck & Co.; Chicago
- Forme
- Console avec pieds bas < 50% de la hauteur
- Remarques
-
Silvertone model 8155 is a 24" b/w TV with US standard VHF tuner channels 2 thru 13, and 14 thru 83 UHF. Equipped with chassis 528.51173, VHF-UHF tuner 95-141-0 and picture tube 24AEP4.
- Schémathèque (1)
- Photofact Folder, Howard W. SAMS (Date 5-58, Set 397, Folder 3)
- Auteur
- Modèle crée par Egon Penker. Voir les propositions de modification pour les contributeurs supplémentaires.
- D'autres Modèles
-
Vous pourrez trouver sous ce lien 5527 modèles d'appareils, 3234 avec des images et 4235 avec des schémas.
Tous les appareils de Sears, Roebuck & Co.; Chicago (IL)