Silvertone 8160 Ch= 528.51183
Sears, Roebuck & Co.; Chicago (IL)
- País
- Estados Unidos
- Fabricante / Marca
- Sears, Roebuck & Co.; Chicago (IL)
- Año
- 1958 ?
- Categoría
- Televisión (TV) o monitor
- Radiomuseum.org ID
- 198036
-
- Brand: Silvertone
Haga clic en la miniatura esquemática para solicitarlo como documento gratuito.
- Numero de valvulas
- 15
- Principio principal
- Superheterodino con paso previo de RF
- Gama de ondas
- Bandas de recepción puestas en notas.
- Tensión de funcionamiento
- Red: Corriente alterna (CA, Inglés = AC) / 60 Hz, 117V = 110 -120 Volt
- Altavoz
- 2 Altavoces
- Material
- Madera
- de Radiomuseum.org
- Modelo: Silvertone 8160 Ch= 528.51183 - Sears, Roebuck & Co.; Chicago
- Forma
- Consola baja, patas más cortas del 50%.
- Anotaciones
-
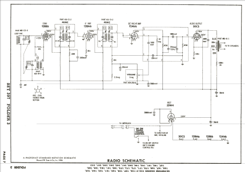
Silvertone model 8160 is a 24" b/w TV with US standard VHF tuner channels 2 thru 13. Equipped with chassis 528.51183, VHF tuner 95-140-0 and picture tube 24AEP4.
- Documentación / Esquemas (1)
- Photofact Folder, Howard W. SAMS (Date 5-58, Set 397, Folder 3)
- Autor
- Modelo creado por Egon Penker. Ver en "Modificar Ficha" los participantes posteriores.
- Otros modelos
-
Donde encontrará 5533 modelos, 3235 con imágenes y 4241 con esquemas.
Ir al listado general de Sears, Roebuck & Co.; Chicago (IL)