8211 Ch= 528.53000
Sears, Roebuck & Co.; Chicago (IL)
- Country
- United States of America (USA)
- Manufacturer / Brand
- Sears, Roebuck & Co.; Chicago (IL)
- Year
- 1957 ?
- Category
- Broadcast Receiver - or past WW2 Tuner
- Radiomuseum.org ID
- 319648
-
- Brand: Silvertone
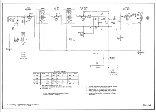
Click on the schematic thumbnail to request the schematic as a free document.
- Number of Tubes
- 4
- Main principle
- Superheterodyne (common); ZF/IF 455 kHz
- Wave bands
- Broadcast only (MW).
- Power type and voltage
- Dry Batteries / Battery pack: 1.5 & 67.5 Volt
- Loudspeaker
- Permanent Magnet Dynamic (PDyn) Loudspeaker (moving coil) / Ø 3.5 inch = 8.9 cm
- Material
- Plastics (no bakelite or catalin)
- from Radiomuseum.org
- Model: 8211 Ch= 528.53000 - Sears, Roebuck & Co.; Chicago
- Shape
- Tablemodel, with any shape - general.
- Notes
-
Silvertone model 8211 is a battery operated portable AM receiver.
- Literature/Schematics (1)
- Photofact Folder, Howard W. SAMS (Set 384 Folder 14 dated 1-58)
- Author
- Model page created by Dirk Taekels. See "Data change" for further contributors.
- Other Models
-
Here you find 5527 models, 3234 with images and 4235 with schematics for wireless sets etc. In French: TSF for Télégraphie sans fil.
All listed radios etc. from Sears, Roebuck & Co.; Chicago (IL)