Silvertone 94
Sears, Roebuck & Co.; Chicago (IL)
- País
- Estados Unidos
- Fabricante / Marca
- Sears, Roebuck & Co.; Chicago (IL)
- Año
- 1930 ??
- Categoría
- Radio - o Sintonizador pasado WW2
- Radiomuseum.org ID
- 57283
-
- Brand: Silvertone
Haga clic en la miniatura esquemática para solicitarlo como documento gratuito.
- Numero de valvulas
- 9
- Principio principal
- RFS sin reacción; Neutrodyne
- Número de circuitos sintonía
- 4 Circuíto(s) AM
- Gama de ondas
- OM (onda media) solamente
- Tensión de funcionamiento
- Red: Corriente alterna (CA, Inglés = AC) / 105 ; 110-130 Volt
- Altavoz
- - Este modelo usa altavoz exterior (1 o más).
- de Radiomuseum.org
- Modelo: Silvertone 94 - Sears, Roebuck & Co.; Chicago
- Ext. procedencia de los datos
- Ernst Erb
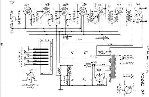
- Referencia esquema
- Rider's Perpetual, Volume 6 = 1935 and before
- Documentación / Esquemas (1)
- Riders 6-1
- Otros modelos
-
Donde encontrará 5533 modelos, 3235 con imágenes y 4241 con esquemas.
Ir al listado general de Sears, Roebuck & Co.; Chicago (IL)