Silvertone 8970 Ch= 138.160
Sears, Roebuck & Co.; Chicago (IL)
- Pays
- Etats-Unis
- Fabricant / Marque
- Sears, Roebuck & Co.; Chicago (IL)
- Année
- 1941
- Catégorie
- Amplificateur BF ou mélangeur BF
- Radiomuseum.org ID
- 57265
-
- Brand: Silvertone
Cliquez sur la vignette du schéma pour le demander en tant que document gratuit.
- No. de tubes
- 17
- Gammes d'ondes
- - sans
- Tension / type courant
- Alimentation Courant Alternatif (CA) / 110-125 Volt
- Haut-parleur
- - Pour casque ou amplificateur BF
- De Radiomuseum.org
- Modèle: Silvertone 8970 Ch= 138.160 - Sears, Roebuck & Co.; Chicago
- Source extérieure
- Ernst Erb
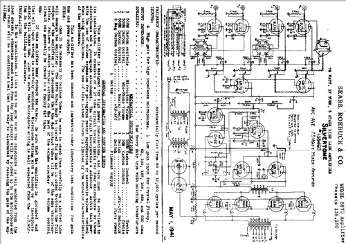
- Source du schéma
- Rider's Perpetual, Volume 13 = 1942 and before
- Schémathèque (1)
- Riders 13-113
- D'autres Modèles
-
Vous pourrez trouver sous ce lien 5533 modèles d'appareils, 3235 avec des images et 4241 avec des schémas.
Tous les appareils de Sears, Roebuck & Co.; Chicago (IL)