Meteor 4104 Ch= 528.37000
Sears, Roebuck & Co.; Chicago (IL)
- Pays
- Etats-Unis
- Fabricant / Marque
- Sears, Roebuck & Co.; Chicago (IL)
- Année
- 1955 ?
- Catégorie
- Récepteur de télévision ou moniteur
- Radiomuseum.org ID
- 331262
-
- Brand: Silvertone
Cliquez sur la vignette du schéma pour le demander en tant que document gratuit.
- No. de tubes
- 17
- Lampes / Tubes
- 6AF4 6BZ7 6U8 6CB6 6CB6 6AM8 6AN8 6AU6 6U8 6T8 6K6GT 12BH7 6SN7GTA 6AV5GT 6AX4GT 1B3GT 17HP4
- Principe général
- Super hétérodyne avec étage HF
- Gammes d'ondes
- Bandes en notes
- Tension / type courant
- Alimentation Courant Alternatif (CA) / 60 Hz, 117V = 110 -120 Volt
- Haut-parleur
- HP dynamique à aimant permanent + bobine mobile / Ø 4 inch = 10.2 cm
- Matière
- Plastique moderne (pas de bakélite, ni de catalin)
- De Radiomuseum.org
- Modèle: Meteor 4104 Ch= 528.37000 - Sears, Roebuck & Co.; Chicago
- Forme
- Modèle de table générique
- Remarques
-
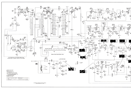
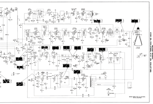
Meteor model 4104 is a 17” b/w TV with US standard VHF tuner channels 2 thru
13, and 14 thru 83 UHF. Equipped with chassis 528.37000, VHF- UHF-tuner T95-44 and picture tube 17HP4.
- Schémathèque (1)
- Photofact Folder, Howard W. SAMS (Set 298 Folder 7 dated 11-55)
- Auteur
- Modèle crée par Dirk Taekels. Voir les propositions de modification pour les contributeurs supplémentaires.
- D'autres Modèles
-
Vous pourrez trouver sous ce lien 5533 modèles d'appareils, 3235 avec des images et 4241 avec des schémas.
Tous les appareils de Sears, Roebuck & Co.; Chicago (IL)