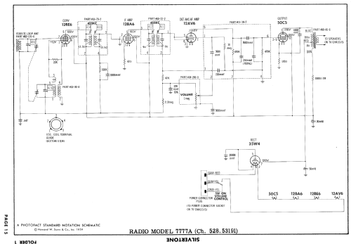
PC-9189.5A Ch= 456.52170

Sears, Roebuck & Co.; Chicago (IL)

  • Year
  • 1959
  • Category
  • Television Receiver (TV) or Monitor
  • Radiomuseum.org ID
  • 188551
    • Brand: Silvertone

Click on the schematic thumbnail to request the schematic as a free document.

 Technical Specifications

  • Number of Tubes
  • 16
  • Main principle
  • Superhet with RF-stage
  • Wave bands
  • VHF incl. FM and/or UHF (see notes for details)
  • Power type and voltage
  • Alternating Current supply (AC) / 110 - 120 Volt
  • Loudspeaker
  • Permanent Magnet Dynamic (PDyn) Loudspeaker (moving coil)
  • from Radiomuseum.org
  • Model: PC-9189.5A Ch= 456.52170 - Sears, Roebuck & Co.; Chicago
  • Notes
  • 21" b/w TV with US standard VHF Tuner Channels 2 thru 13, 14 thru 83 UHF. Tubes UHF: 17. Some Models with Picture Tube 24AEP4.
  • Author
  • Model page created by Egon Penker. See "Data change" for further contributors.

 Collections | Museums | Literature

 Forum