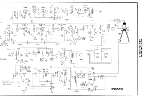
Silvertone 163-16 Ch= 478.319
Sears, Roebuck & Co.; Chicago (IL)
- Country
- United States of America (USA)
- Manufacturer / Brand
- Sears, Roebuck & Co.; Chicago (IL)
- Year
- 1952 ?
- Category
- Television Receiver (TV) or Monitor
- Radiomuseum.org ID
- 353508
-
- Brand: Silvertone
Click on the schematic thumbnail to request the schematic as a free document.
- Number of Tubes
- 21
- Valves / Tubes
- 6J6 6AG5 6J6 6CB6 6CB6 6CB6 6AL5 12AU7 6AU6 6AL5 6AT6 6K6GT 7N7 or 6SN7GT 6SR7 or 6BF6 6S4 6SN7GT 6BG6G 6W4GT 1B3GT 5U4G 16KP4
- Main principle
- Superhet with RF-stage
- Wave bands
- Wave Bands given in the notes.
- Power type and voltage
- Alternating Current supply (AC) / 60 Hz, 117V = 110 -120 Volt
- Loudspeaker
- Permanent Magnet Dynamic (PDyn) Loudspeaker (moving coil)
- Material
- Metal case
- from Radiomuseum.org
- Model: Silvertone 163-16 Ch= 478.319 - Sears, Roebuck & Co.; Chicago
- Shape
- Tablemodel, with any shape - general.
- Notes
-
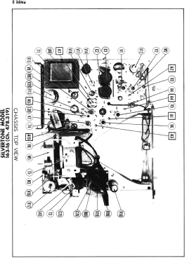
Silvertone model 163-16 is a 16” b/w TV with US standard VHF tuner channels 2 thru 13.
Equipped with a VHF tuner and picture tube 16KP4.
- Literature/Schematics (1)
- Photofact Folder, Howard W. SAMS (Set 157, folder 10, dated 1-52)
- Author
- Model page created by Dirk Taekels. See "Data change" for further contributors.
- Other Models
-
Here you find 5527 models, 3234 with images and 4235 with schematics for wireless sets etc. In French: TSF for Télégraphie sans fil.
All listed radios etc. from Sears, Roebuck & Co.; Chicago (IL)