Silvertone 2028 or 2029 Ch= 528.230 Order=57G 02028
Sears, Roebuck & Co.; Chicago (IL)
- País
- Estados Unidos
- Fabricante / Marca
- Sears, Roebuck & Co.; Chicago (IL)
- Año
- 1953–1955 ?

- Categoría
- Radio - o Sintonizador pasado WW2
- Radiomuseum.org ID
- 88869
-
- Brand: Silvertone
Haga clic en la miniatura esquemática para solicitarlo como documento gratuito.
- Numero de valvulas
- 4
- Principio principal
- Superheterodino en general; ZF/IF 455 kHz; 2 Etapas de AF
- Número de circuitos sintonía
- 6 Circuíto(s) AM
- Gama de ondas
- OM (onda media) solamente
- Tensión de funcionamiento
- Baterías recargables o pilas / 1.5 & 90 Volt
- Altavoz
- Altavoz dinámico (de imán permanente) / Ø 5 inch = 12.7 cm
- Material
- Madera
- de Radiomuseum.org
- Modelo: Silvertone 2028 or 2029 Ch= 528.230 Order=57G 02028 - Sears, Roebuck & Co.; Chicago
- Forma
- Sobremesa apaisado (tamaño grande).
- Ancho, altura, profundidad
- 17.625 x 9 x 9.375 inch / 448 x 229 x 238 mm
- Anotaciones
-
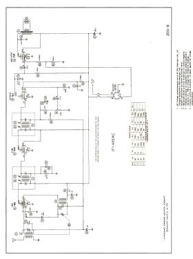
Silvertone model 2028 is a battery operated AM superheterodyne receiver.
The Silvertone model 2028 is without battery, $ 32.95. The Silvertone model 2029 is with battery, $ 39.20.
- Mencionado en
- Photofact Folder, Howard W. SAMS (Set 203, folder 8, dated 5-53)
- Documentación / Esquemas (1)
- Beitman Radio Diagrams, Vol. 13, 1953
- Documentación / Esquemas (2)
- Machine Age to Jet Age II (page 260.)
- Documentación / Esquemas (3)
- Sears, Roebuck Catalogs (Silvertone) (1952/53 page 859. 1953/54 page 889. 1954 page 771. 1954/55 page 916.)
- Documentación / Esquemas (4)
- Sears, Roebuck Catalogs (Silvertone) (Spring & Summer 1955, page 777.)
- Autor
- Modelo creado por Walter Wiesmüller † May 2012. Ver en "Modificar Ficha" los participantes posteriores.
- Otros modelos
-
Donde encontrará 5533 modelos, 3235 con imágenes y 4241 con esquemas.
Ir al listado general de Sears, Roebuck & Co.; Chicago (IL)