Silvertone 276 Ch= 528.59390
Sears, Roebuck & Co.; Chicago (IL)
- Country
- United States of America (USA)
- Manufacturer / Brand
- Sears, Roebuck & Co.; Chicago (IL)
- Year
- 1959 ?
- Category
- Sound/Video Recorder and/or Player
- Radiomuseum.org ID
- 144441
-
- Brand: Silvertone
Click on the schematic thumbnail to request the schematic as a free document.
- Number of Tubes
- 5
- Main principle
- Audio-Amplification
- Wave bands
- - without
- Details
- Rec.Player+Audio.Amp+LS
- Power type and voltage
- Alternating Current supply (AC) / 110 - 120 Volt
- Loudspeaker
- 2 Loudspeakers
- from Radiomuseum.org
- Model: Silvertone 276 Ch= 528.59390 - Sears, Roebuck & Co.; Chicago
- Notes
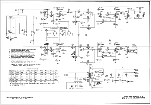
- AC operated stereo phono amplifier with 4 speed automatic record changer. Sams photofact set 473 folder 16 date 2-60 features the Silvertone models 274, 275 and 276 as the same schematic.
- Literature/Schematics (1)
- Photofact Folder, Howard W. SAMS (Set 473 folder 16 date 2-60)
- Author
- Model page created by Peter Hoddow. See "Data change" for further contributors.
- Other Models
-
Here you find 5527 models, 3234 with images and 4235 with schematics for wireless sets etc. In French: TSF for Télégraphie sans fil.
All listed radios etc. from Sears, Roebuck & Co.; Chicago (IL)