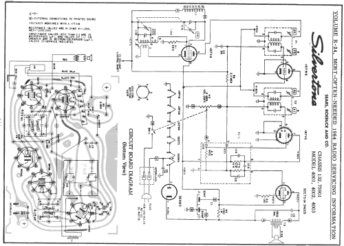
Silvertone 4001 Ch= 132.75901 Order=57K 4001
Sears, Roebuck & Co.; Chicago (IL)
- Produttore / Marca
- Sears, Roebuck & Co.; Chicago (IL)
- Anno
- 1964
- Categoria
- Radio (o sintonizzatore del dopoguerra WW2)
- Radiomuseum.org ID
- 91766
-
- Brand: Silvertone
Clicca sulla miniatura dello schema per richiederlo come documento gratuito.
- Numero di tubi
- 5
- Principio generale
- Supereterodina (in generale); ZF/IF 455 kHz; 2 Stadi BF
- N. di circuiti accordati
- 6 Circuiti Mod. Amp. (AM)
- Gamme d'onda
- Solo onde medie (OM).
- Tensioni di funzionamento
- Alimentazione universale (doppia: CC/CA) / 105 - 120 Volt
- Altoparlante
- AP magnetodinamico (magnete permanente e bobina mobile) / Ø 4 inch = 10.2 cm
- Materiali
- Plastica (non bachelite o catalina)
- Radiomuseum.org
- Modello: Silvertone 4001 Ch= 132.75901 Order=57K 4001 - Sears, Roebuck & Co.; Chicago
- Forma
- Soprammobile compatto/con bordi arrotondati/midget senza pulsantiera/tastiera.<= 35 cm (Sometimes with handle but for mains only).
- Dimensioni (LxAxP)
- 11 x 5 x 4 inch / 279 x 127 x 102 mm
- Annotazioni
-
The Sears Silvertone 4001 is an AC/DC operated 5 tube AM receiver.
The following models use the same schematic but have different cabinets:
Model Cabinet 4001 Beige and ivory, without translucent dial or trim 4002 Beige and ivory, with translucent dial and trim 4003 Blue mist and ivory, with translucent dial and trim See details and summaries about Sears catalogs etc. This model was manufactured for Sears by Noblitt-Sparks Ind. (Arvin), Columbus, Indiana (Sears Manufacturer Source Number Code 132).
- Prezzo nel primo anno
- 11.95 $
- Riferimenti schemi
- Beitman Radio Diagrams Vol. 24, 1964
- Letteratura / Schemi (4)
- Sears, Roebuck Catalogs (Silvertone) (Summer 1964, page 1404.)
- Autore
- Modello inviato da Egon Penker. Utilizzare "Proponi modifica" per inviare ulteriori dati.
- Altri modelli
-
In questo link sono elencati 5527 modelli, di cui 3234 con immagini e 4235 con schemi.
Elenco delle radio e altri apparecchi della Sears, Roebuck & Co.; Chicago (IL)