Silvertone 58 Ch= 528.53640 Ch= 528.59480 Order=57K 58L
Sears, Roebuck & Co.; Chicago (IL)
- País
- Estados Unidos
- Fabricante / Marca
- Sears, Roebuck & Co.; Chicago (IL)
- Año
- 1959/1960 ?
- Categoría
- Radio - o Sintonizador pasado WW2
- Radiomuseum.org ID
- 144660
-
- Brand: Silvertone
Haga clic en la miniatura esquemática para solicitarlo como documento gratuito.
- Numero de valvulas
- 10
- Principio principal
- Superheterodino en general; ZF/IF 455/10700 kHz
- Gama de ondas
- OM y FM
- Especialidades
- Tocadiscos con cambiador autom.
- Tensión de funcionamiento
- Red: Corriente alterna (CA, Inglés = AC) / 110 - 120 Volt
- Altavoz
- 2 Altavoces / Ø 8 inch = 20.3 cm
- Material
- Madera
- de Radiomuseum.org
- Modelo: Silvertone 58 Ch= 528.53640 Ch= 528.59480 Order=57K 58L - Sears, Roebuck & Co.; Chicago
- Forma
- Consola alta, patas más largas del 50% .
- Ancho, altura, profundidad
- 25 x 28 x 18 inch / 635 x 711 x 457 mm
- Anotaciones
-
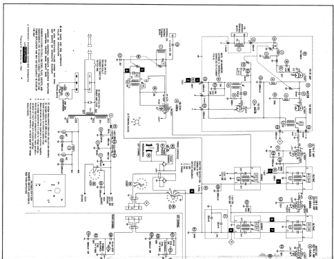
AC operated AM - FM tuner, stereo amplifier and 4 speed automatic record changer. Sams photofact set 472 folder 14 date 1-60 features the Silvertone models 58 and 59 as the same schematic.
Model
Cabinet
58
Mahogany Veneer
59
Limed Oak Veneer
- Precio durante el primer año
- 179.95 $
- Documentación / Esquemas (1)
- Photofact Folder, Howard W. SAMS (Set 472 folder 14 date 1-60)
- Documentación / Esquemas (4)
- Sears, Roebuck Catalogs (Silvertone) (Spring/Summer 1960, page 922.)
- Autor
- Modelo creado por Peter Hoddow. Ver en "Modificar Ficha" los participantes posteriores.
- Otros modelos
-
Donde encontrará 5533 modelos, 3235 con imágenes y 4241 con esquemas.
Ir al listado general de Sears, Roebuck & Co.; Chicago (IL)