Silvertone 6021 Ch= 132.09001
Sears, Roebuck & Co.; Chicago (IL)
- Country
- United States of America (USA)
- Manufacturer / Brand
- Sears, Roebuck & Co.; Chicago (IL)
- Year
- 1955 ?
- Category
- Broadcast Receiver - or past WW2 Tuner
- Radiomuseum.org ID
- 142347
-
- Brand: Silvertone
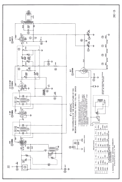
Click on the schematic thumbnail to request the schematic as a free document.
- Number of Tubes
- 5
- Main principle
- Superheterodyne (common); ZF/IF 455 kHz; 2 AF stage(s)
- Tuned circuits
- 6 AM circuit(s)
- Wave bands
- Broadcast only (MW).
- Power type and voltage
- Alternating Current supply (AC) / 60 Hz, 117V = 110 -120 Volt
- Loudspeaker
- Permanent Magnet Dynamic (PDyn) Loudspeaker (moving coil) / Ø 4 inch = 10.2 cm
- Material
- Plastics (no bakelite or catalin)
- from Radiomuseum.org
- Model: Silvertone 6021 Ch= 132.09001 - Sears, Roebuck & Co.; Chicago
- Shape
- Tablemodel with Clock ((Alarm-) Clock Radio).
- Notes
-
The Sears, Roebuck & Co, Silvertone Model 6021 is an AC Operated 5 Tube Superheterodyne Receiver with Electric Clock.
- Literature/Schematics (1)
- Photofact Folder, Howard W. SAMS (Date 3-56, Set 310, Folder 13)
- Author
- Model page created by Egon Penker. See "Data change" for further contributors.
- Other Models
-
Here you find 5533 models, 3235 with images and 4241 with schematics for wireless sets etc. In French: TSF for Télégraphie sans fil.
All listed radios etc. from Sears, Roebuck & Co.; Chicago (IL)