Silvertone 6115 Ch= 528.35603
Sears, Roebuck & Co.; Chicago (IL)
- País
- Estados Unidos
- Fabricante / Marca
- Sears, Roebuck & Co.; Chicago (IL)
- Año
- 1956 ?
- Categoría
- Televisión (TV) o monitor
- Radiomuseum.org ID
- 273677
-
- Brand: Silvertone
Haga clic en la miniatura esquemática para solicitarlo como documento gratuito.
- Numero de valvulas
- 17
- Válvulas
- 6BZ7 6U8 6AF4A 6CB6 6CB6 6AM8 6AW8 or 6BH8 6AU6 6U8 6T8 6K6GT 12BH7 6SN7GT 6AV5GT 6AX4GT 1B3GT 24YP4
- Principio principal
- Superheterodino con paso previo de RF
- Gama de ondas
- VHF/UHF (see notes for details)
- Tensión de funcionamiento
- Red: Corriente alterna (CA, Inglés = AC) / 60 cycles, 110-120 Volt
- Altavoz
- Altavoz dinámico (de imán permanente)
- Material
- Madera
- de Radiomuseum.org
- Modelo: Silvertone 6115 Ch= 528.35603 - Sears, Roebuck & Co.; Chicago
- Forma
- Sobremesa de cualquier forma, detalles no conocidos.
- Anotaciones
-
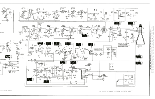
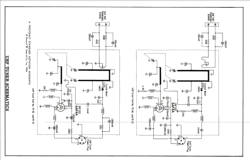
The SILVERTONE model 6115 is a 24" b/w TV with US standard VHF Tuner channels 2 thru 13, 14 thru 83 UHF. Equipped with chassis 528.35603, VHF tuner 95-45, UHF tuner 95-46 and picture tube 24YP4. 2x selenium rectifier.
- Documentación / Esquemas (1)
- Photofact Folder, Howard W. SAMS (Set 330 Folder 10 Dated 9-56)
- Autor
- Modelo creado por Dirk Taekels. Ver en "Modificar Ficha" los participantes posteriores.
- Otros modelos
-
Donde encontrará 5527 modelos, 3234 con imágenes y 4235 con esquemas.
Ir al listado general de Sears, Roebuck & Co.; Chicago (IL)