Silvertone 6117 Ch= 528.35603

Sears, Roebuck & Co.; Chicago (IL)

  • Año
  • 1956 ?
  • Categoría
  • Televisión (TV) o monitor
  • Radiomuseum.org ID
  • 273678
    • Brand: Silvertone

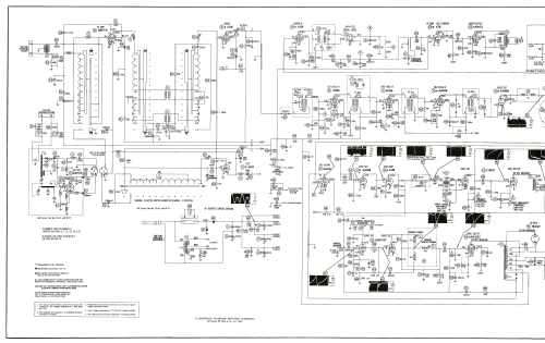
Haga clic en la miniatura esquemática para solicitarlo como documento gratuito.

 Especificaciones técnicas

  • Numero de valvulas
  • 17
  • Principio principal
  • Superheterodino con paso previo de RF
  • Gama de ondas
  • VHF/UHF (see notes for details)
  • Tensión de funcionamiento
  • Red: Corriente alterna (CA, Inglés = AC) / 60 cycles, 110-120 Volt
  • Altavoz
  • Altavoz elíptico de imán permanente.
  • Material
  • Madera
  • de Radiomuseum.org
  • Modelo: Silvertone 6117 Ch= 528.35603 - Sears, Roebuck & Co.; Chicago
  • Forma
  • Sobremesa de cualquier forma, detalles no conocidos.
  • Anotaciones
  • The SILVERTONE model 6117 is a 24" b/w TV with US standard VHF Tuner channels 2 thru 13, 14 thru 83 UHF. Equipped with chassis 528.35603, VHF tuner 95-45, UHF tuner 95-46 and picture tube 24YP4. 2x selenium rectifier.

  • Autor
  • Modelo creado por Dirk Taekels. Ver en "Modificar Ficha" los participantes posteriores.

 Colecciones | Museos | Literatura

 Forum