Silvertone 6129 Ch= 528.42400
Sears, Roebuck & Co.; Chicago (IL)
- Country
- United States of America (USA)
- Manufacturer / Brand
- Sears, Roebuck & Co.; Chicago (IL)
- Year
- 1956 ?
- Category
- Television Receiver (TV) or Monitor
- Radiomuseum.org ID
- 274082
-
- Brand: Silvertone
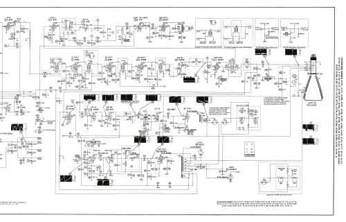
Click on the schematic thumbnail to request the schematic as a free document.
- Number of Tubes
- 17
- Valves / Tubes
- 6BK7A 6U8 6AF4A 6CB6 6CB6 6AM8 6AW8 or 6BH8 6AU6 6U8 6T8 6K6GT 12BH7 6SN7GT 6AV5GT 6AX4GT 1B3GT 24YP4
- Main principle
- Superhet with RF-stage
- Wave bands
- VHF incl. FM and/or UHF (see notes for details)
- Power type and voltage
- Alternating Current supply (AC) / 60 cycles, 110-120 Volt
- Loudspeaker
- Permanent Magnet Dynamic (PDyn) Loudspeaker (moving coil)
- Material
- Wooden case
- from Radiomuseum.org
- Model: Silvertone 6129 Ch= 528.42400 - Sears, Roebuck & Co.; Chicago
- Shape
- Tablemodel, with any shape - general.
- Notes
-
The SILVERTONE model 6129 is a 24" b/w TV with US standard VHF Tuner channels 2 thru 13, 14 thru 83 UHF. Equipped with chassis 528.42400, VHF tuner 95-68, UHF tuner 95-66 and picture tube 24YP4. 2x selenium rectifier.
- Literature/Schematics (1)
- Photofact Folder, Howard W. SAMS (Set 330 Folder 10 Dated 9-56)
- Author
- Model page created by Dirk Taekels. See "Data change" for further contributors.
- Other Models
-
Here you find 5533 models, 3235 with images and 4241 with schematics for wireless sets etc. In French: TSF for Télégraphie sans fil.
All listed radios etc. from Sears, Roebuck & Co.; Chicago (IL)