Silvertone 6186 Ch= 528.45201
Sears, Roebuck & Co.; Chicago (IL)
- Produttore / Marca
- Sears, Roebuck & Co.; Chicago (IL)
- Anno
- 1956 ?
- Categoria
- Televisore (TV) / Monitor
- Radiomuseum.org ID
- 274531
- 
        - Brand: Silvertone
 
Clicca sulla miniatura dello schema per richiederlo come documento gratuito.
- Numero di tubi
- 17
- Valvole
- 6BZ7 6U8 6AF4A 6CB6 6CB6 6AM8 6AW8 or 6BH8 6AU6 6U8 6T8 6K6GT 12BH7 6SN7GT 6AV5GT 6AX4GT 1B3GT 24YP4
- Principio generale
- Supereterodina con stadio RF
- Gamme d'onda
- VHF/UHF (ved. i dettagli nelle note)
- Tensioni di funzionamento
- Alimentazione a corrente alternata (CA) / 60 cycles, 110-120 Volt
- Altoparlante
- AP magnetodinamico (magnete permanente e bobina mobile)
- Materiali
- Mobile in legno
- Radiomuseum.org
- Modello: Silvertone 6186 Ch= 528.45201 - Sears, Roebuck & Co.; Chicago
- Forma
- Soprammobile con qualsiasi forma (non saputo).
- Annotazioni
- 
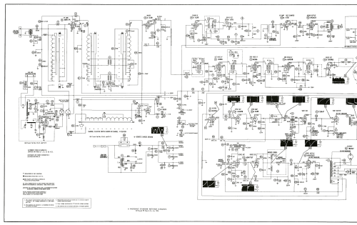
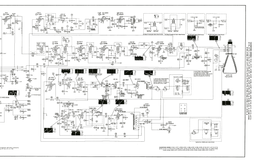
        The SILVERTONE model 6186 is a 24" b/w TV with US standard VHF Tuner channels 2 thru 13, 14 thru 83 UHF. Equipped with chassis 528.45201, VHF tuner 95-68, UHF tuner 95-66 and picture tube 24YP4. 2x selenium rectifier. 
- Letteratura / Schemi (1)
- Photofact Folder, Howard W. SAMS (Set 330 Folder 10 Dated 9-56)
- Autore
- Modello inviato da Dirk Taekels. Utilizzare "Proponi modifica" per inviare ulteriori dati.
- Altri modelli
- 
        In questo link sono elencati 5533 modelli, di cui 3235 con immagini e 4241 con schemi. 
 Elenco delle radio e altri apparecchi della Sears, Roebuck & Co.; Chicago (IL)
 
                
                
                
                
                
                
                
                
                
                
                
                
                
                
                
                
                
                
                
                
                
               