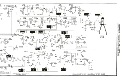
Silvertone 7100Y Ch= 528.50002
Sears, Roebuck & Co.; Chicago (IL)
- Produttore / Marca
- Sears, Roebuck & Co.; Chicago (IL)
- Anno
- 1956 ?
- Categoria
- Televisore (TV) / Monitor
- Radiomuseum.org ID
- 283698
-
- Brand: Silvertone
Clicca sulla miniatura dello schema per richiederlo come documento gratuito.
- Numero di tubi
- 14
- Valvole
- 3BC5 5AT8 3CB6 6AM8 6BH8 5U8 5T8 or 6BN8 5V6GT 6CM7 6SN7GTB 12AV5GA 12AX4GTA or 12AX4GTB 1B3GT 17HP4B
- Principio generale
- Supereterodina con stadio RF
- Gamme d'onda
- VHF/UHF (ved. i dettagli nelle note)
- Tensioni di funzionamento
- Alimentazione a corrente alternata (CA) / 60 cycle 110-120 Volt
- Altoparlante
- AP magnetodinamico (magnete permanente e bobina mobile) / Ø 4 inch = 10.2 cm
- Materiali
- Mobile di metallo
- Radiomuseum.org
- Modello: Silvertone 7100Y Ch= 528.50002 - Sears, Roebuck & Co.; Chicago
- Forma
- Soprammobile con qualsiasi forma (non saputo).
- Annotazioni
-
The SILVERTONE model 7100Y is a 17" b/w TV with US standard VHF Tuner channels 2 thru 13 ,equipped with VHF-tuner 95-76, chassis 528.50002 and picture tube 17HP4B.
- Letteratura / Schemi (1)
- Photofact Folder, Howard W. SAMS (Set 339 Folder 13 dated 12-56)
- Autore
- Modello inviato da Dirk Taekels. Utilizzare "Proponi modifica" per inviare ulteriori dati.
- Altri modelli
-
In questo link sono elencati 5533 modelli, di cui 3235 con immagini e 4241 con schemi.
Elenco delle radio e altri apparecchi della Sears, Roebuck & Co.; Chicago (IL)