Silvertone 7130 Ch= 528.51040
Sears, Roebuck & Co.; Chicago (IL)
- Land
- USA
- Hersteller / Marke
- Sears, Roebuck & Co.; Chicago (IL)
- Jahr
- 1957 ?
- Kategorie
- Fernseh-Empfänger/Monitor
- Radiomuseum.org ID
- 150864
-
- Marke: Silvertone
Klicken Sie auf den Schaltplanausschnitt, um diesen kostenlos als Dokument anzufordern.
- Anzahl Röhren
- 15
- Hauptprinzip
- Super mit HF-Vorstufe
- Wellenbereiche
- Wellen in den Bemerkungen.
- Betriebsart / Volt
- Wechselstromspeisung / 60 Hz, 117V = 110 -120 Volt
- Lautsprecher
- Dynamischer LS, keine Erregerspule (permanentdynamisch)
- von Radiomuseum.org
- Modell: Silvertone 7130 Ch= 528.51040 - Sears, Roebuck & Co.; Chicago
- Bemerkung
-
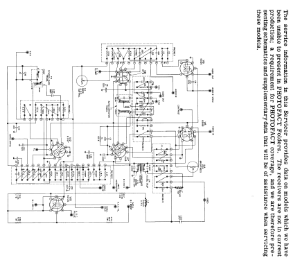
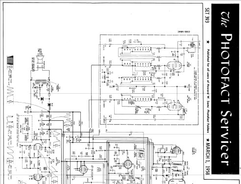
Silvertone model 7130 is a b/w TV with US standard VHF tuner channels 2 thru 13. Equipped with chassis 528.51040 and VHF tuner C100-1484C.Picture tube not specified.
- Literatur/Schema (1)
- Photofact Folder, Howard W. SAMS (Date 3-58, Set 393, Servicer)
- Autor
- Modellseite von Egon Penker angelegt. Siehe bei "Änderungsvorschlag" für weitere Mitarbeit.
- Weitere Modelle
-
Hier finden Sie 5527 Modelle, davon 3234 mit Bildern und 4235 mit Schaltbildern.
Alle gelisteten Radios usw. von Sears, Roebuck & Co.; Chicago (IL)