Silvertone 7163
Sears, Roebuck & Co.; Chicago (IL)
- Country
- United States of America (USA)
- Manufacturer / Brand
- Sears, Roebuck & Co.; Chicago (IL)
- Year
- 1936
- Category
- Car Radio, perhaps also + sound player/recorder
- Radiomuseum.org ID
- 226405
-
- Brand: Silvertone
Click on the schematic thumbnail to request the schematic as a free document.
- Number of Tubes
- 5
- Main principle
- Superheterodyne (common); ZF/IF 370 kHz; 2 AF stage(s)
- Tuned circuits
- 6 AM circuit(s)
- Wave bands
- Broadcast only (MW).
- Power type and voltage
- Storage Battery for all (e.g. for car radios and amateur radios) / 6 Volt
- Loudspeaker
- Electro Magnetic Dynamic LS (moving-coil with field excitation coil)
- Material
- Metal case
- from Radiomuseum.org
- Model: Silvertone 7163 - Sears, Roebuck & Co.; Chicago
- Shape
- Chassis only or for «building in»
- Notes
-
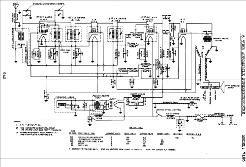
The Sears Silvertone 7163 is an DC operated 5 tube BC band car radio.
Uses vibrator to generate the B+ voltage. Chassis marked with the letter "T" contain a combination wave trap and antenna coil that rejects local airplane beacon stations broadcasting at approximately 370kHz.
See details and summaries about Sears catalogs etc. This model was manufactured for Sears by Sentinal Radio Corp., Chicago, Ill (Sears Manufacturer Source Number Code 106).
- Literature/Schematics (1)
- Silvertone Radios, Service Inf. 1928 thru 1936 (Pages 942 to 943)
- Author
- Model page created by John Kusching. See "Data change" for further contributors.
- Other Models
-
Here you find 5533 models, 3235 with images and 4241 with schematics for wireless sets etc. In French: TSF for Télégraphie sans fil.
All listed radios etc. from Sears, Roebuck & Co.; Chicago (IL)