Silvertone 8102YL Ch= 528.50123
Sears, Roebuck & Co.; Chicago (IL)
- Country
- United States of America (USA)
- Manufacturer / Brand
- Sears, Roebuck & Co.; Chicago (IL)
- Year
- 1958 ?
- Category
- Television Receiver (TV) or Monitor
- Radiomuseum.org ID
- 322194
-
- Brand: Silvertone
Click on the schematic thumbnail to request the schematic as a free document.
- Number of Tubes
- 14
- Main principle
- Superhet with RF-stage
- Wave bands
- Wave Bands given in the notes.
- Power type and voltage
- Alternating Current supply (AC) / 60 Hz, 117V = 110 -120 Volt
- Loudspeaker
- Permanent Magnet Dynamic (PDyn) Loudspeaker (moving coil)
- Material
- Plastics (no bakelite or catalin)
- from Radiomuseum.org
- Model: Silvertone 8102YL Ch= 528.50123 - Sears, Roebuck & Co.; Chicago
- Shape
- Tablemodel, with any shape - general.
- Notes
-
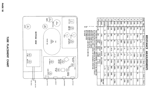
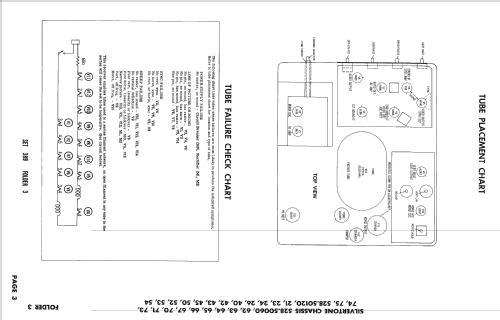
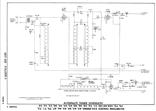
Silvertone model 8102YL is a 17" b/w TV with US standard VHF tuner channels 2 thru 13. Equipped with chassis 528.50123, VHF tuner 95-134-0 and picture tube 17CFP4.
- Literature/Schematics (1)
- Photofact Folder, Howard W. SAMS (Set 389 Folder 3 dated 2-58)
- Author
- Model page created by Dirk Taekels. See "Data change" for further contributors.
- Other Models
-
Here you find 5533 models, 3235 with images and 4241 with schematics for wireless sets etc. In French: TSF for Télégraphie sans fil.
All listed radios etc. from Sears, Roebuck & Co.; Chicago (IL)