Silvertone 8114 Ch= 528.51104
Sears, Roebuck & Co.; Chicago (IL)
- Land
- USA
- Hersteller / Marke
- Sears, Roebuck & Co.; Chicago (IL)
- Jahr
- 1958 ?
- Kategorie
- Fernseh-Empfänger/Monitor
- Radiomuseum.org ID
- 322759
-
- Marke: Silvertone
Klicken Sie auf den Schaltplanausschnitt, um diesen kostenlos als Dokument anzufordern.
- Anzahl Röhren
- 15
- Hauptprinzip
- Super mit HF-Vorstufe
- Wellenbereiche
- Wellen in den Bemerkungen.
- Betriebsart / Volt
- Wechselstromspeisung / 60 Hz, 117V = 110 -120 Volt
- Lautsprecher
- 2 Lautsprecher
- Material
- Gerät mit Holzgehäuse
- von Radiomuseum.org
- Modell: Silvertone 8114 Ch= 528.51104 - Sears, Roebuck & Co.; Chicago
- Form
- Standgerät auf niedrigen Beinen (Beine < 50 % der Gesamthöhe).
- Bemerkung
-
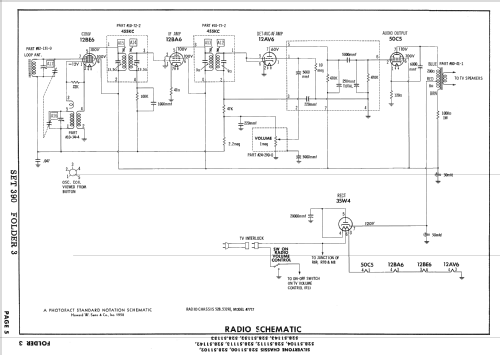
Silvertone model 8114 is a 21" b/w TV with US standard VHF tuner channels 2 thru 13. Equipped with chassis 528.51104, VHF tuner 95-140-0 and picture tube 21CBP4A.
- Literatur/Schema (1)
- Photofact Folder, Howard W. SAMS (Set 390 Folder 3 dated 3-58)
- Autor
- Modellseite von Dirk Taekels angelegt. Siehe bei "Änderungsvorschlag" für weitere Mitarbeit.
- Weitere Modelle
-
Hier finden Sie 5527 Modelle, davon 3234 mit Bildern und 4235 mit Schaltbildern.
Alle gelisteten Radios usw. von Sears, Roebuck & Co.; Chicago (IL)