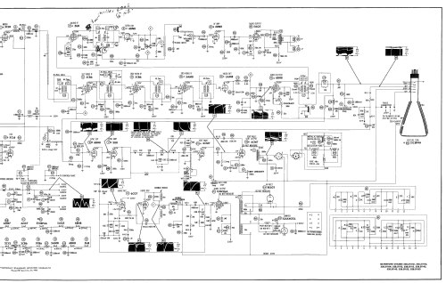
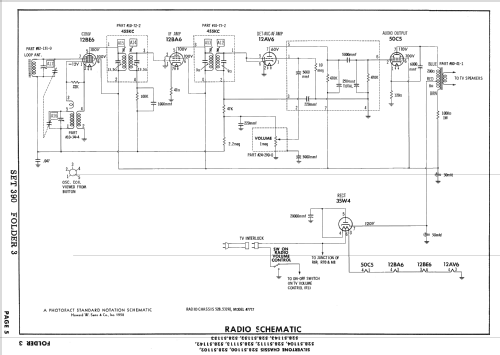
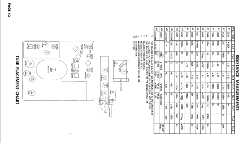
Silvertone 8116 Ch= 528.51102
Sears, Roebuck & Co.; Chicago (IL)
- Produttore / Marca
- Sears, Roebuck & Co.; Chicago (IL)
- Anno
- 1958 ?
- Categoria
- Televisore (TV) / Monitor
- Radiomuseum.org ID
- 322754
- 
        - Brand: Silvertone
 
Clicca sulla miniatura dello schema per richiederlo come documento gratuito.
- Numero di tubi
- 15
- Principio generale
- Supereterodina con stadio RF
- Gamme d'onda
- Gamme d'onda nelle note.
- Tensioni di funzionamento
- Alimentazione a corrente alternata (CA) / 60 Hz, 117V = 110 -120 Volt
- Altoparlante
- 2 altoparlanti
- Materiali
- Mobile in legno
- Radiomuseum.org
- Modello: Silvertone 8116 Ch= 528.51102 - Sears, Roebuck & Co.; Chicago
- Forma
- Console, con gambe d'appoggio basse (< 50%).
- Annotazioni
- 
        Silvertone model 8116 is a 21" b/w TV with US standard VHF tuner channels 2 thru 13. Equipped with chassis 528.51102, VHF tuner 95-140-0 and picture tube 21CBP4A. 
- Letteratura / Schemi (1)
- Photofact Folder, Howard W. SAMS (Set 390 Folder 3 dated 3-58)
- Autore
- Modello inviato da Dirk Taekels. Utilizzare "Proponi modifica" per inviare ulteriori dati.
- Altri modelli
- 
        In questo link sono elencati 5533 modelli, di cui 3235 con immagini e 4241 con schemi. 
 Elenco delle radio e altri apparecchi della Sears, Roebuck & Co.; Chicago (IL)
 
                
                
                
                
                
                
                
                
                
                
                
                
                
                
               