Silvertone 8118A Ch= 101.825-4
Sears, Roebuck & Co.; Chicago (IL)
- Country
- United States of America (USA)
- Manufacturer / Brand
- Sears, Roebuck & Co.; Chicago (IL)
- Year
- 1947–1949 ?
- Category
- Broadcast Receiver - or past WW2 Tuner
- Radiomuseum.org ID
- 131419
-
- Brand: Silvertone
Click on the schematic thumbnail to request the schematic as a free document.
- Number of Tubes
- 9
- Main principle
- Superheterodyne (common); ZF/IF 455 kHz; 2 AF stage(s)
- Tuned circuits
- 6 AM circuit(s) 12 FM circuit(s)
- Wave bands
- Broadcast (BC) and FM or UHF.
- Details
- Changer (Record changer)
- Power type and voltage
- Alternating Current supply (AC) / 110-120 Volt
- Loudspeaker
- Permanent Magnet Dynamic (PDyn) Loudspeaker (moving coil) / Ø 9.75 inch = 24.8 cm
- from Radiomuseum.org
- Model: Silvertone 8118A Ch= 101.825-4 - Sears, Roebuck & Co.; Chicago
- Notes
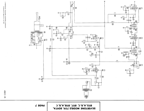
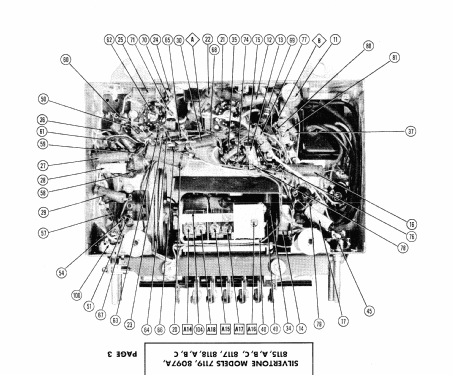
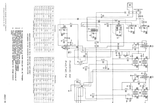
- This Silvertone model 8118A is an AC operated combination Phono-Radio, AM-FM Superheterodyne receiver with loop antenna. It is listed on Photofact within a family of: 7119 (Ch= 101.825-26); 8097A (Ch= 121.825-4 or 101.825-4?); 8115 (Ch= 101.825-3D); 8115A, 8115B, 8115C (Ch= 101.825-4); 8117 (Ch= 101.825-3E); 8118 (Ch= 101.825-3F) and 8118, 8118A, 8118B, 8118C with chassis 101.825-4. The chassis number can be seen on the rear.
Possibly there are even more models for this chassis family. Therefore please be careful when uploading pictures, schematics or data. Only for model Sivertone 8115B we have placed the Photofact picture. We don't know the shape of the others and could be wrong on the player.
- Literature/Schematics (1)
- Photofact Folder, Howard W. SAMS (Date 5-49, 4910-18, set 62, folder 18)
- Author
- Model page created by Ernst Erb. See "Data change" for further contributors.
- Other Models
-
Here you find 5527 models, 3234 with images and 4235 with schematics for wireless sets etc. In French: TSF for Télégraphie sans fil.
All listed radios etc. from Sears, Roebuck & Co.; Chicago (IL)