Silvertone 8152 Ch= 528.50140
Sears, Roebuck & Co.; Chicago (IL)
- País
- Estados Unidos
- Fabricante / Marca
- Sears, Roebuck & Co.; Chicago (IL)
- Año
- 1958 ?
- Categoría
- Televisión (TV) o monitor
- Radiomuseum.org ID
- 322240
- 
        - Brand: Silvertone
 
Haga clic en la miniatura esquemática para solicitarlo como documento gratuito.
- Numero de valvulas
- 14
- Principio principal
- Superheterodino con paso previo de RF
- Gama de ondas
- VHF/UHF (see notes for details)
- Tensión de funcionamiento
- Red: Corriente alterna (CA, Inglés = AC) / 60 Hz, 117V = 110 -120 Volt
- Altavoz
- Altavoz dinámico (de imán permanente)
- Material
- Plástico moderno (Nunca bakelita o catalina)
- de Radiomuseum.org
- Modelo: Silvertone 8152 Ch= 528.50140 - Sears, Roebuck & Co.; Chicago
- Forma
- Sobremesa de cualquier forma, detalles no conocidos.
- Anotaciones
- 
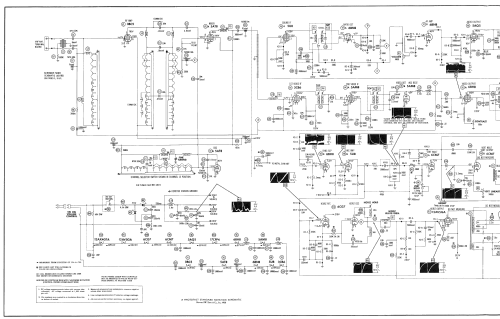
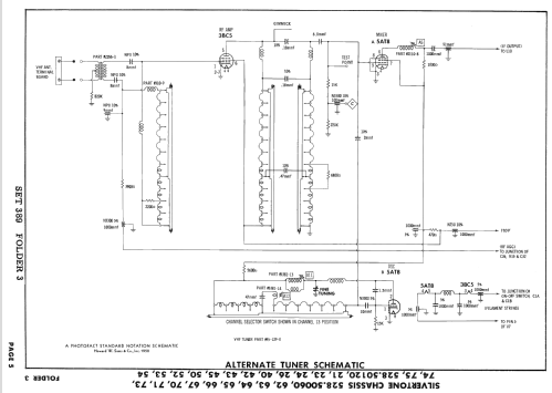
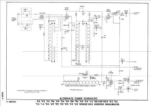
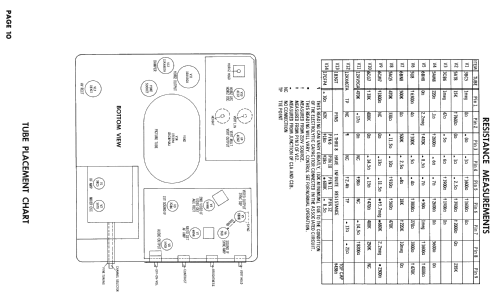
        Silvertone model 8152 is a 17" b/w TV with US standard VHF tuner channels 2 thru 13. Equipped with chassis 528.50140, VHF tuner 95-129-0 and picture tube 17CFP4. 
- Documentación / Esquemas (1)
- Photofact Folder, Howard W. SAMS (Set 389 Folder 3 dated 2-58)
- Autor
- Modelo creado por Dirk Taekels. Ver en "Modificar Ficha" los participantes posteriores.
- Otros modelos
- 
        Donde encontrará 5533 modelos, 3235 con imágenes y 4241 con esquemas. 
 Ir al listado general de Sears, Roebuck & Co.; Chicago (IL)
 
                
                
                
                
                
                
                
                
                
                
                
                
                
                
                
               