Silvertone 8188 Ch= 528.51143
Sears, Roebuck & Co.; Chicago (IL)
- Pays
- Etats-Unis
- Fabricant / Marque
- Sears, Roebuck & Co.; Chicago (IL)
- Année
- 1958 ?
- Catégorie
- Récepteur de télévision ou moniteur
- Radiomuseum.org ID
- 322813
-
- Brand: Silvertone
Cliquez sur la vignette du schéma pour le demander en tant que document gratuit.
- No. de tubes
- 15
- Principe général
- Super hétérodyne avec étage HF
- Gammes d'ondes
- Bandes en notes
- Tension / type courant
- Alimentation Courant Alternatif (CA) / 60 Hz, 117V = 110 -120 Volt
- Haut-parleur
- 2 HP
- Matière
- Boitier en bois
- De Radiomuseum.org
- Modèle: Silvertone 8188 Ch= 528.51143 - Sears, Roebuck & Co.; Chicago
- Forme
- Console avec pieds bas < 50% de la hauteur
- Remarques
-
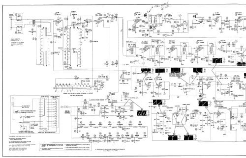
Silvertone model 8188 is a 21" b/w TV with US standard VHF tuner channels 2 thru 13. Equipped with chassis 528.51143, VHF tuner 95-140-0 and picture tube 21CBP4A.
- Schémathèque (1)
- Photofact Folder, Howard W. SAMS (Set 390 Folder 3 dated 3-58)
- Auteur
- Modèle crée par Dirk Taekels. Voir les propositions de modification pour les contributeurs supplémentaires.
- D'autres Modèles
-
Vous pourrez trouver sous ce lien 5533 modèles d'appareils, 3235 avec des images et 4241 avec des schémas.
Tous les appareils de Sears, Roebuck & Co.; Chicago (IL)