Silvertone 9027 Ch= 528.53730
Sears, Roebuck & Co.; Chicago (IL)
- Pays
- Etats-Unis
- Fabricant / Marque
- Sears, Roebuck & Co.; Chicago (IL)
- Année
- 1959 ?
- Catégorie
- Radio - ou tuner d'après la guerre 1939-45
- Radiomuseum.org ID
- 144436
-
- Brand: Silvertone
Cliquez sur la vignette du schéma pour le demander en tant que document gratuit.
- No. de tubes
- 6
- Principe général
- Super hétérodyne (en général); FI/IF 455 kHz; 2 Etage(s) BF
- Gammes d'ondes
- PO uniquement
- Tension / type courant
- Alimentation Courant Alternatif (CA) / 110 - 120 Volt
- Haut-parleur
- HP dynamique à aimant permanent + bobine mobile / Ø 4 inch = 10.2 cm
- Matière
- Plastique moderne (pas de bakélite, ni de catalin)
- De Radiomuseum.org
- Modèle: Silvertone 9027 Ch= 528.53730 - Sears, Roebuck & Co.; Chicago
- Forme
- Modèle de table avec réveil ou horloge
- Remarques
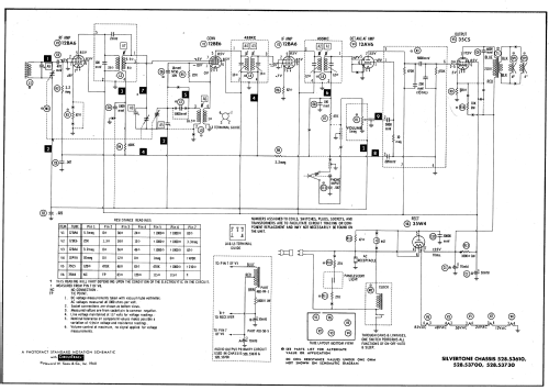
- AC operated AM receiver with electric clock. Sams photofact set 473 folder 15 date 2-60 features the Silvertone models 39, 40, 41 with chassis 528.53610, the models 42, 43, 44, 45 with chassis 528.53700 and the models 9027, 9028, 9029 with chassis 528.53730 as the same schematic.
- Littérature
- Machine Age to Jet Age II (page 273.)
- Schémathèque (1)
- Photofact Folder, Howard W. SAMS (Set 473 folder 15 date 2-60)
- Auteur
- Modèle crée par Peter Hoddow. Voir les propositions de modification pour les contributeurs supplémentaires.
- D'autres Modèles
-
Vous pourrez trouver sous ce lien 5533 modèles d'appareils, 3235 avec des images et 4241 avec des schémas.
Tous les appareils de Sears, Roebuck & Co.; Chicago (IL)