- Produttore / Marca
- Sentinel Radio Corp., Evanston, Illinois
- Anno
- 1939 ??
- Categoria
- Radio (o sintonizzatore del dopoguerra WW2)
- Radiomuseum.org ID
- 57386
Clicca sulla miniatura dello schema per richiederlo come documento gratuito.
- Numero di tubi
- 7
- Principio generale
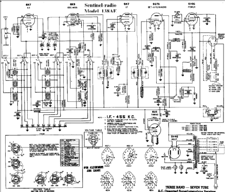
- Supereterodina con stadio RF; ZF/IF 455 kHz
- N. di circuiti accordati
- 11 Circuiti Mod. Amp. (AM)
- Gamme d'onda
- Onde medie (OM) e 2 gamme di onde corte (2 x OC).
- Tensioni di funzionamento
- Alimentazione a corrente alternata (CA) / 110-220 Volt
- Altoparlante
- AP elettrodinamico (bobina mobile e bobina di eccitazione/di campo)
- Radiomuseum.org
- Modello: 138AE - Sentinel Radio Corp., Evanston
- Fonte esterna dei dati
- Ernst Erb
- Riferimenti schemi
- Rider's Perpetual, Volume 10 = 1939 and before
- Altri modelli
-
In questo link sono elencati 726 modelli, di cui 359 con immagini e 618 con schemi.
Elenco delle radio e altri apparecchi della Sentinel Radio Corp., Evanston, Illinois