- País
- Estados Unidos
- Fabricante / Marca
- Sentinel Radio Corp., Evanston, Illinois
- Año
- 1947 ??
- Categoría
- Radio - o Sintonizador pasado WW2
- Radiomuseum.org ID
- 57458
Haga clic en la miniatura esquemática para solicitarlo como documento gratuito.
- Numero de valvulas
- 6
- Principio principal
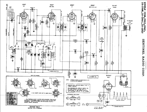
- Superheterodino con paso previo de RF; ZF/IF 455 kHz; 2 Etapas de AF
- Número de circuitos sintonía
- 6 Circuíto(s) AM
- Gama de ondas
- OM y OC
- Tensión de funcionamiento
- Red: Aparato AC/DC. / 117 Volt
- Altavoz
- Altavoz elíptico de imán permanente.
- de Radiomuseum.org
- Modelo: 1U294W - Sentinel Radio Corp., Evanston
- Anotaciones
- BC (538-1620kHz) and SW (5.7-18.3MHz) bands. Built-in loop antenna for BC band. 4 x 6 inch speaker.
- Ext. procedencia de los datos
- Ernst Erb
- Referencia esquema
- Rider's Perpetual, Volume 15 = 1947 and before
- Otros modelos
-
Donde encontrará 726 modelos, 358 con imágenes y 618 con esquemas.
Ir al listado general de Sentinel Radio Corp., Evanston, Illinois