1U462 Ch= 2WA
Sentinel Radio Corp., Evanston, Illinois
- Country
- United States of America (USA)
- Manufacturer / Brand
- Sentinel Radio Corp., Evanston, Illinois
- Year
- 1953 ?
- Category
- Television Receiver (TV) or Monitor
- Radiomuseum.org ID
- 363005
Click on the schematic thumbnail to request the schematic as a free document.
- Number of Tubes
- 21
- Valves / Tubes
- 6BZ7 or 6BQ7 6J6 6CB6 6CB6 6CB6 6AH6 6AU6 6AL5 6SN7GT 6W6GT 6SN7GT 12BH7 6BL7GT 6SN7GT 6CD6G 6V3 6V3 1B3GT 5U4G 5U4G 27EP4A
- Main principle
- Superhet with RF-stage
- Wave bands
- Wave Bands given in the notes.
- Power type and voltage
- Alternating Current supply (AC) / 60 Hz, 117V = 110 -120 Volt
- Loudspeaker
- Permanent Magnet Dynamic (PDyn) Loudspeaker (moving coil) - elliptical / Ø 12 inch = 30.5 cm
- Material
- Wooden case
- from Radiomuseum.org
- Model: 1U462 Ch= 2WA - Sentinel Radio Corp., Evanston
- Shape
- Tablemodel, with any shape - general.
- Notes
-
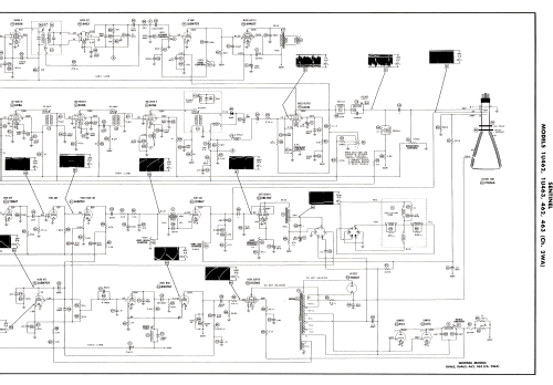
Sentinel model 1U462 is a 27” b/w TV with US standard VHF tuner channels 2 thru 13. Equipped with chassis 2WA VHF tuner 20E767 and picture tube 27EP4A.
- Literature/Schematics (1)
- Photofact Folder, Howard W. SAMS (Set 205, folder 9, dated 6-53)
- Author
- Model page created by Dirk Taekels. See "Data change" for further contributors.
- Other Models
-
Here you find 726 models, 358 with images and 618 with schematics for wireless sets etc. In French: TSF for Télégraphie sans fil.
All listed radios etc. from Sentinel Radio Corp., Evanston, Illinois