- Country
- United States of America (USA)
- Manufacturer / Brand
- Sentinel Radio Corp., Evanston, Illinois
- Year
- 1956 ?
- Category
- Television Receiver (TV) or Monitor
- Radiomuseum.org ID
- 275344
Click on the schematic thumbnail to request the schematic as a free document.
- Number of Tubes
- 16
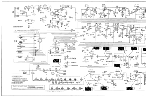
- Valves / Tubes
- 4BQ7A 5AT8 3CB6 3CB6 3CB6 12BY7A 5U8 3BN6 12L6GT 6SN7GTB 12BH7A 6SN7GTB 12CU6 12AX4GTA 1X2B 21ALP4A
- Main principle
- Superhet with RF-stage
- Wave bands
- VHF incl. FM and/or UHF (see notes for details)
- Power type and voltage
- Alternating Current supply (AC) / 60 cycles, 117V = 110 -120 Volt
- Loudspeaker
- Permanent Magnet Dynamic (PDyn) Loudspeaker (moving coil) / Ø 6 inch = 15.2 cm
- Material
- Wooden case
- from Radiomuseum.org
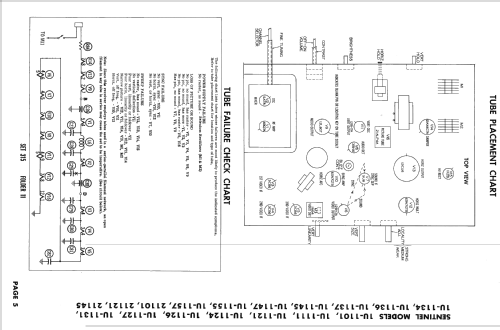
- Model: 1U-1145 - Sentinel Radio Corp., Evanston
- Shape
- Tablemodel, with any shape - general.
- Notes
-
SENTINEL MODEL 1U-1145 is a 21" b/w TV with US standard VHF Tuner channels 2 thru 13, equipped with VHF-tuner 20E1051 or 20E1040 and picture tube 21ALP4A.
- Literature/Schematics (1)
- Photofact Folder, Howard W. SAMS (Set 315 Folder 11)
- Literature/Schematics (2)
- Photofact Folder, Howard W. SAMS (Set 331 Folder 1 Dated 9-56)
- Author
- Model page created by Dirk Taekels. See "Data change" for further contributors.
- Other Models
-
Here you find 726 models, 358 with images and 618 with schematics for wireless sets etc. In French: TSF for Télégraphie sans fil.
All listed radios etc. from Sentinel Radio Corp., Evanston, Illinois