1U-1208 Ch= Series B
Sentinel Radio Corp., Evanston, Illinois
- Pays
- Etats-Unis
- Fabricant / Marque
- Sentinel Radio Corp., Evanston, Illinois
- Année
- 1956 ?
- Catégorie
- Récepteur de télévision ou moniteur
- Radiomuseum.org ID
- 308388
Cliquez sur la vignette du schéma pour le demander en tant que document gratuit.
- No. de tubes
- 22
- Lampes / Tubes
- 6BZ7 6U8 6T4 6CB6 6CB6 6CB6 12BY7 12AX7 6AU6 6AL5 6SN7GTA 6AQ5 6CS6 6SN7GTB 6W6GT 6SN7GTB 6CD6G 6AU4GT 1B3GT 5U4G 5U4G 21AMP4A
- Principe général
- Super hétérodyne avec étage HF
- Gammes d'ondes
- Bandes en notes
- Tension / type courant
- Alimentation Courant Alternatif (CA) / 60 Hz, 117V = 110 -120 Volt
- Haut-parleur
- HP dynamique à aimant permanent + bobine mobile
- Matière
- Boitier en bois
- De Radiomuseum.org
- Modèle: 1U-1208 Ch= Series B - Sentinel Radio Corp., Evanston
- Forme
- Console avec pieds bas < 50% de la hauteur
- Remarques
-
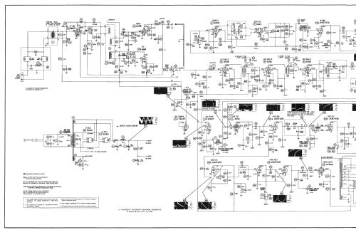
Sentinel model 1U-1208 is a 21" b/w TV with US standard VHF tuner channels 2 thru 13, and 14 thru 83 UHF. Equipped with chassis Series B, VHF-UHF tuner 20E976 and picture tube 21AMP4A.
- Schémathèque (1)
- Photofact Folder, Howard W. SAMS (Set 326 folder 12 dated 8-56)
- Auteur
- Modèle crée par Dirk Taekels. Voir les propositions de modification pour les contributeurs supplémentaires.
- D'autres Modèles
-
Vous pourrez trouver sous ce lien 726 modèles d'appareils, 359 avec des images et 618 avec des schémas.
Tous les appareils de Sentinel Radio Corp., Evanston, Illinois