- Land
- USA
- Hersteller / Marke
- Sentinel Radio Corp., Evanston, Illinois
- Jahr
- 1955 ?
- Kategorie
- Rundfunkempfänger (Radio - oder Tuner nach WW2)
- Radiomuseum.org ID
- 82101
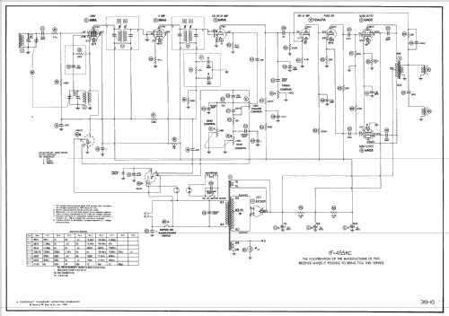
Klicken Sie auf den Schaltplanausschnitt, um diesen kostenlos als Dokument anzufordern.
- Anzahl Röhren
- 7
- Hauptprinzip
- Superhet allgemein; ZF/IF 455 kHz; 3 NF-Stufe(n)
- Anzahl Kreise
- 6 Kreis(e) AM
- Wellenbereiche
- Mittelwelle, keine anderen.
- Spezialitäten
- Plattenspieler (oder Wechsler)
- Betriebsart / Volt
- Wechselstromspeisung / 60 cycles, 117V = 110 -120 Volt
- Lautsprecher
- 2 Lautsprecher
- Material
- Gerät mit Holzgehäuse
- von Radiomuseum.org
- Modell: 1U-367 - Sentinel Radio Corp., Evanston
- Form
- Tischmodell, Zusatz nicht bekannt - allgemein.
- Bemerkung
-
AC Operated AM Superheterodyne Receiver With 3 Speed Automatic Record Changer.
Table model hi-fidelity.
- Schaltungsnachweis
- Beitman Radio Diagrams Vol. 16, 1956
- Literaturnachweis
- Photofact Folder, Howard W. SAMS (Set 319 Folder 10 Dated 6-56)
- Autor
- Modellseite von Egon Penker angelegt. Siehe bei "Änderungsvorschlag" für weitere Mitarbeit.
- Weitere Modelle
-
Hier finden Sie 726 Modelle, davon 358 mit Bildern und 618 mit Schaltbildern.
Alle gelisteten Radios usw. von Sentinel Radio Corp., Evanston, Illinois