443 (Series XD)
Sentinel Radio Corp., Evanston, Illinois
- Country
- United States of America (USA)
- Manufacturer / Brand
- Sentinel Radio Corp., Evanston, Illinois
- Year
- 1952 ?
- Category
- Television Receiver (TV) or Monitor
- Radiomuseum.org ID
- 353419
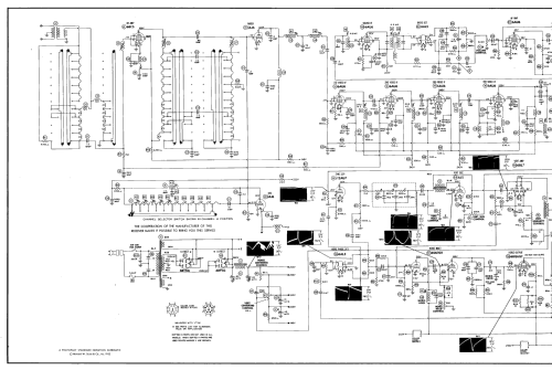
Click on the schematic thumbnail to request the schematic as a free document.
- Number of Tubes
- 23
- Valves / Tubes
- 6BC5 6J6 6AU6 6AU6 6AU6 6AU6 6AL5 6CB6 12AU7 6AU6 6AL5 6AU6 6K6GT 6J5 6BL7GT 6AL5 6SN7GT 6BQ6GT 6W4GT 1B3GT 6BY5G or 5U4G 6BY5G or 5U4G 17BP4A
- Main principle
- Superhet with RF-stage
- Wave bands
- Wave Bands given in the notes.
- Power type and voltage
- Alternating Current supply (AC) / 60 Hz, 117V = 110 -120 Volt
- Loudspeaker
- Permanent Magnet Dynamic (PDyn) Loudspeaker (moving coil)
- Material
- Wooden case
- from Radiomuseum.org
- Model: 443 - Sentinel Radio Corp., Evanston
- Shape
- Console with any shape - in general
- Notes
-
Sentinel model 443 is a 17” b/w TV with US standard VHF tuner channels 2 thru 13.
Equipped with a VHF tuner 20E711 and picture tube 17BP4A.
- Literature/Schematics (1)
- Photofact Folder, Howard W. SAMS (Set 157, folder 9, dated 1-52)
- Author
- Model page created by Dirk Taekels. See "Data change" for further contributors.
- Other Models
-
Here you find 726 models, 358 with images and 618 with schematics for wireless sets etc. In French: TSF for Télégraphie sans fil.
All listed radios etc. from Sentinel Radio Corp., Evanston, Illinois