Red Wave 红波 601
Shanghai 101 上海一O一厂 Shanghai 101 Factory; Shanghai
- Country
- People's Republic of China
- Manufacturer / Brand
- Shanghai 101 上海一O一厂 Shanghai 101 Factory; Shanghai
- Year
- 1975 ??
- Category
- Broadcast Receiver - or past WW2 Tuner
- Radiomuseum.org ID
- 180165
Click on the schematic thumbnail to request the schematic as a free document.
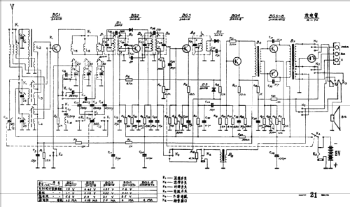
- Number of Transistors
- 6
- Main principle
- Superheterodyne (common); ZF/IF 465 kHz; 3 AF stage(s)
- Tuned circuits
- 7 AM circuit(s)
- Wave bands
- Broadcast plus 2 Short Wave bands.
- Power type and voltage
- Dry Batteries / 9 Volt
- Loudspeaker
- Permanent Magnet Dynamic (PDyn) Loudspeaker (moving coil)
- Material
- Wooden case
- from Radiomuseum.org
- Model: Red Wave 红波 601 - Shanghai 101 上海一O一厂
- Shape
- Tablemodel, with any shape - general.
- Notes
- The radio model Red Wave 红波 601 (Hongbo) has the following key features 主要性能: Frequency range 频率范围: broadcast band 535 - 1605 kc plus SW 2.2 - 6 mc and 6 - 18 mc. Loudspeaker 8 ohm. 3 diodes.
- Literature/Schematics (1)
- 19-Radio Manual Shanghai 101 Factory, 1981 (26 models) (page 20.)
- Author
- Model page created by Ernst Erb. See "Data change" for further contributors.
- Other Models
-
Here you find 28 models, 28 with images and 27 with schematics for wireless sets etc. In French: TSF for Télégraphie sans fil.
All listed radios etc. from Shanghai 101 上海一O一厂 Shanghai 101 Factory; Shanghai