D Clearfield DeLuxe TRF-6-RC
Sherman Radio Manufacturing Co.; New York City, NY
- Pays
- Etats-Unis
- Fabricant / Marque
- Sherman Radio Manufacturing Co.; New York City, NY
- Année
- 1925
- Catégorie
- Radio - ou tuner d'après la guerre 1939-45
- Radiomuseum.org ID
- 57862
Cliquez sur la vignette du schéma pour le demander en tant que document gratuit.
- No. de tubes
- 6
- Lampes / Tubes
- Principe général
- Récepteur TRF en général (avec ou sans réaction inconnu)
- Gammes d'ondes
- PO uniquement
- Tension / type courant
- Piles (rechargeables ou/et sèches)
- Matière
- Boitier en bois
- De Radiomuseum.org
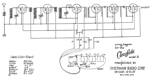
- Modèle: D Clearfield DeLuxe TRF-6-RC - Sherman Radio Manufacturing Co
- Forme
- Modèle de table boitier avec vouvercle
- Remarques
- Three dials (primary tuning control knobs). Clear (glass) cabinet.
- Prix de mise sur le marché
- 115.00 $
- Source extérieure
- Ernst Erb
- Schémathèque (1)
- Radio Broadcast, Sep. 1925, p. 657
- D'autres Modèles
-
Vous pourrez trouver sous ce lien 2 modèles d'appareils, 2 avec des images et 1 avec des schémas.
Tous les appareils de Sherman Radio Manufacturing Co.; New York City, NY
Collections
Le modèle D Clearfield DeLuxe fait partie des collections des membres suivants.