- Country
- Canada
- Manufacturer / Brand
- Silveradio Ltd.,(where)
- Year
- 1930
- Category
- Broadcast Receiver - or past WW2 Tuner
- Radiomuseum.org ID
- 155400
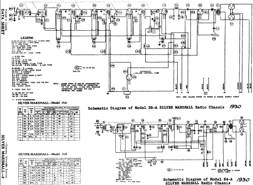
Click on the schematic thumbnail to request the schematic as a free document.
- Number of Tubes
- 6
- Main principle
- TRF (Tuned-Radio-Frequency but use of regeneration unknown); Screengrid 1926-1935
- Tuned circuits
- 4 AM circuit(s)
- Power type and voltage
- Alternating Current supply (AC)
- Loudspeaker
- Electro Magnetic Dynamic LS (moving-coil with field excitation coil)
- from Radiomuseum.org
- Model: 34-A - Silveradio Ltd.,where
- Notes
- The model 34A receiver is used in combination with the model 33A power unit; one dial (primary tuning control knob); push-pull af output stage.
See also Silver - Marshall Manufacturing Co.
- Circuit diagram reference
- Radio College of Canada
- Literature/Schematics (1)
- RCC page 2
- Author
- Model page created by Hans-Joachim Korn † 16.11.15. See "Data change" for further contributors.
- Other Models
-
Here you find 23 models, 1 with images and 23 with schematics for wireless sets etc. In French: TSF for Télégraphie sans fil.
All listed radios etc. from Silveradio Ltd.,(where)