- Country
- Canada
- Manufacturer / Brand
- Silveradio Ltd.,(where)
- Year
- 1931
- Category
- Broadcast Receiver - or past WW2 Tuner
- Radiomuseum.org ID
- 155383
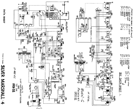
Click on the schematic thumbnail to request the schematic as a free document.
- Number of Tubes
- 10
- Valves / Tubes
- Main principle
- Superheterodyne (common); ZF/IF 465 kHz
- Tuned circuits
- 8 AM circuit(s)
- Wave bands
- Broadcast plus more than 2 Short Wave bands.
- Power type and voltage
- Alternating Current supply (AC)
- Loudspeaker
- Electro Magnetic Dynamic LS (moving-coil with field excitation coil)
- from Radiomuseum.org
- Model: Q - Silveradio Ltd.,where
- Notes
- Tuning meter.
See also Silver - Marshall Manufacturing Co.
- Circuit diagram reference
- Radio College of Canada
- Literature/Schematics (1)
- RCC page 4
- Author
- Model page created by Hans-Joachim Korn † 16.11.15. See "Data change" for further contributors.
- Other Models
-
Here you find 23 models, 1 with images and 23 with schematics for wireless sets etc. In French: TSF for Télégraphie sans fil.
All listed radios etc. from Silveradio Ltd.,(where)