11013 Ch= 132.60301
Simpsons Sears Ltd.; Toronto, Ontario
- Country
- Canada
- Manufacturer / Brand
- Simpsons Sears Ltd.; Toronto, Ontario
- Year
- 1961 ?
- Category
- Broadcast Receiver - or past WW2 Tuner
- Radiomuseum.org ID
- 308403
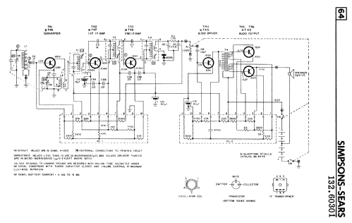
Click on the schematic thumbnail to request the schematic as a free document.
- Number of Transistors
- 6
- Semiconductors
- Main principle
- Superheterodyne (common); ZF/IF 455 kHz; 2 AF stage(s)
- Tuned circuits
- 6 AM circuit(s)
- Wave bands
- Broadcast only (MW).
- Power type and voltage
- Dry Batteries
- Loudspeaker
- Permanent Magnet Dynamic (PDyn) Loudspeaker (moving coil)
- from Radiomuseum.org
- Model: 11013 Ch= 132.60301 - Simpsons Sears Ltd.; Toronto,
- Shape
- Portable set > 8 inch (also usable without mains)
- Notes
-
The Simpsons model 11013 is a 6-transistor portable radio for AM broadcast reception.
- Literature/Schematics (1)
- Radio College of Canada (RCC) (Sup 56)
- Author
- Model page created by Tom Seeger. See "Data change" for further contributors.
- Other Models
-
Here you find 77 models, 12 with images and 66 with schematics for wireless sets etc. In French: TSF for Télégraphie sans fil.
All listed radios etc. from Simpsons Sears Ltd.; Toronto, Ontario