Capri All Transistor TR500
Sonic Industries Inc.; New York, NY
- Country
- United States of America (USA)
- Manufacturer / Brand
- Sonic Industries Inc.; New York, NY
- Year
- 1958 ?
- Category
- Broadcast Receiver - or past WW2 Tuner
- Radiomuseum.org ID
- 318317
Click on the schematic thumbnail to request the schematic as a free document.
- Number of Transistors
- 4
- Main principle
- Superheterodyne (common); ZF/IF 455 kHz; 1 AF stage(s)
- Tuned circuits
- 5 AM circuit(s)
- Wave bands
- Broadcast only (MW).
- Power type and voltage
- Dry Batteries / 1 x 9 Volt
- Loudspeaker
- Permanent Magnet Dynamic (PDyn) Loudspeaker (moving coil) / Ø 3.5 inch = 8.9 cm
- Material
- Leather / canvas / plastic - over other material
- from Radiomuseum.org
- Model: Capri All Transistor TR500 - Sonic Industries Inc.; New
- Shape
- Tablemodel, with any shape - general.
- Notes
-
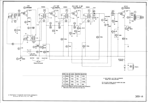
Sonic Model TR-500 is a battery operated portable transistorized receiver.This radio has a vinyl covered cardboard case similar to that of TR600, but a different chassis.
- Literature/Schematics (1)
- Photofact TSM Transistor Radio Series SAMS (TSM-2, November 1958, page 125)
- Literature/Schematics (2)
- Photofact Folder, Howard W. SAMS (Set 389 Folder 14 dated 2-58)
- Author
- Model page created by Aldo Andreani. See "Data change" for further contributors.
- Other Models
-
Here you find 35 models, 13 with images and 25 with schematics for wireless sets etc. In French: TSF for Télégraphie sans fil.
All listed radios etc. from Sonic Industries Inc.; New York, NY