Capri All Transistor TR700
Sonic Industries Inc.; New York, NY
- Country
- United States of America (USA)
- Manufacturer / Brand
- Sonic Industries Inc.; New York, NY
- Year
- 1958
- Category
- Broadcast Receiver - or past WW2 Tuner
- Radiomuseum.org ID
- 217332
Click on the schematic thumbnail to request the schematic as a free document.
- Number of Transistors
- 6
- Main principle
- Superheterodyne (common); ZF/IF 455 kHz
- Wave bands
- Broadcast only (MW).
- Power type and voltage
- Dry Batteries / 1 x 9 Volt
- Loudspeaker
- Permanent Magnet Dynamic (PDyn) Loudspeaker (moving coil) / Ø 5 inch = 12.7 cm
- Material
- Leather / canvas / plastic - over other material
- from Radiomuseum.org
- Model: Capri All Transistor TR700 - Sonic Industries Inc.; New
- Shape
- Portable set > 8 inch (also usable without mains)
- Notes
-
The Sonic model TR-700 is a battery operated portable AM transistorized receiver. It has a genuine top grain cowhide cabinet and the same 6 transistor chassis of the TR600.
- Literature/Schematics (1)
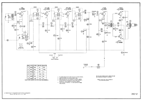
- Photofact TSM Transistor Radio Series SAMS (TSM-1, April 1958, page 117)
- Literature/Schematics (2)
- Photofact Folder, Howard W. SAMS (Set 382 Folder 12 dated 12-57)
- Author
- Model page created by Franz Scharner. See "Data change" for further contributors.
- Other Models
-
Here you find 35 models, 13 with images and 25 with schematics for wireless sets etc. In French: TSF for Télégraphie sans fil.
All listed radios etc. from Sonic Industries Inc.; New York, NY