- País
- Estados Unidos
- Fabricante / Marca
- Sonora Radio & Telev. Corp.; Chicago (IL)
- Año
- 1945/1946
- Categoría
- Radio - o Sintonizador pasado WW2
- Radiomuseum.org ID
- 138320
-
- alternative name: Sonora Electric Phono
Haga clic en la miniatura esquemática para solicitarlo como documento gratuito.
- Numero de valvulas
- 6
- Principio principal
- Superheterodino en general; ZF/IF 455 kHz; 3 Etapas de AF
- Número de circuitos sintonía
- 6 Circuíto(s) AM
- Gama de ondas
- OM (onda media) solamente
- Tensión de funcionamiento
- Red: Aparato AC/DC. / 110 - 120 Volt
- Altavoz
- Altavoz dinámico (de imán permanente) / Ø 6 inch = 15.2 cm
- Material
- Madera
- de Radiomuseum.org
- Modelo: RCU-208 - Sonora Radio & Telev. Corp.;
- Forma
- Sobremesa de cualquier forma, detalles no conocidos.
- Ancho, altura, profundidad
- 15.5 x 9 x 9 inch / 394 x 229 x 229 mm
- Anotaciones
- Self contained loop antenna.
- Peso neto
- 10 lb 0 oz (10 lb) / 4.540 kg
- Mencionado en
- Radio Retailing (Radio & Television R.) (October 1945 p 117. January 1946 p 143. March 1946 p 127. April 1946 p 21. May 1946 p 33.)
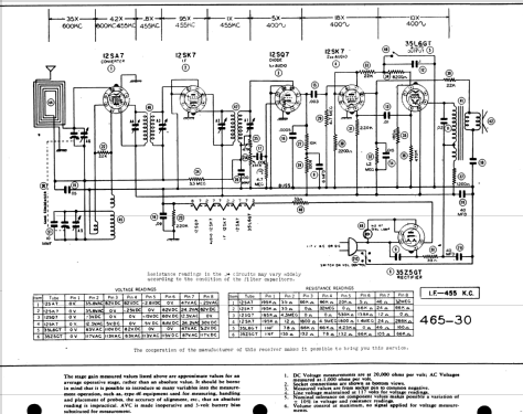
- Documentación / Esquemas (1)
- Photofact Folder, Howard W. SAMS (Set 5 folder 465-30 date 10-46)
- Autor
- Modelo creado por Peter Hoddow. Ver en "Modificar Ficha" los participantes posteriores.
- Otros modelos
-
Donde encontrará 345 modelos, 209 con imágenes y 260 con esquemas.
Ir al listado general de Sonora Radio & Telev. Corp.; Chicago (IL)
Colecciones
El modelo RCU-208 es parte de las colecciones de los siguientes miembros.