- País
- Estados Unidos
- Fabricante / Marca
- Sonora Radio & Telev. Corp.; Chicago (IL)
- Año
- 1945/1946
- Categoría
- Radio - o Sintonizador pasado WW2
- Radiomuseum.org ID
- 58346
-
- alternative name: Sonora Electric Phono
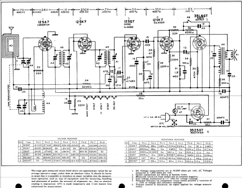
Haga clic en la miniatura esquemática para solicitarlo como documento gratuito.
- Numero de valvulas
- 6
- Principio principal
- Superheterodino en general; ZF/IF 455 kHz; 3 Etapas de AF
- Gama de ondas
- OM (onda media) solamente
- Tensión de funcionamiento
- Red: Aparato AC/DC. / 110 - 120 Volt
- Altavoz
- Altavoz dinámico (de imán permanente) / Ø 4.63 inch = 11.8 cm
- Material
- Madera
- de Radiomuseum.org
- Modelo: RDU-209 - Sonora Radio & Telev. Corp.;
- Forma
- Sobremesa de cualquier forma, detalles no conocidos.
- Anotaciones
- Available in walnut or blond prima vera.
- Ext. procedencia de los datos
- Ernst Erb
- Procedencia de los datos
- The Radio Collector's Directory and Price Guide 1921 - 1965
- Referencia esquema
- Rider's Perpetual, Volume 17 = 1948 and before
- Mencionado en
- Collector's Guide to Antique Radios 4. Edition
- Documentación / Esquemas (1)
- Photofact Folder, Howard W. SAMS (Set 3 folder 463-29 date 8-46)
- Documentación / Esquemas (2)
- Radio Retailing (Radio & Television R.) (October 1945 page 117. March 1946 page 127. June 1946 page 111.)
- Documentación / Esquemas (3)
- Table Top Radios Vol. 1 Stein 98 (page 148.)
- Otros modelos
-
Donde encontrará 345 modelos, 209 con imágenes y 260 con esquemas.
Ir al listado general de Sonora Radio & Telev. Corp.; Chicago (IL)
Colecciones
El modelo RDU-209 es parte de las colecciones de los siguientes miembros.
Contribuciones en el Foro acerca de este modelo: Sonora Radio & Telev: RDU-209
Hilos: 1 | Mensajes: 2
I have this radio in my collection & want to give you additional information:
1. Wooden case. 2. size is 13 5/8 inches wide by 9 5/8 inches high by 7 1/2 inches deep. 3. It weighs 9 pounds. 4. The speaker is 6 inches in diameter & is a permanet magnet type. 5. It has 6 vacuum tubes: 35Z5, 12SA7, 12SK7, 12SQ7, 12SK7, & 35L6. There is a readable label on the rear that states the sales price of 37.65 OPA (Office of Price Administration)
all this information was taken from my set.
Marvi Glassman U S A
Marvin J. Glassman, 14.Apr.08